小型靜電消除器[高頻AC方式] ER-V系列 ER-VS02NEW
消除靜電的新款式 小型·高性能靜電消除器
- 基本信息
- 產品種類
- 詳細規格
- 產品尺寸
- 產品用途
- 可選件
|
※1
|
| ※1 | EMC指令 |
|---|
特點
|
|
|
對針的前端實施球面加工,從而使前端形狀不易因放電而發生經時變化,可更加穩定地生成離子。 |
還提高了維護周期
提高離子生成能力的穩定性,還有助于提高維護周期。
將維護周期提高到1個月以上※。(※根據本公司規定的條件)
噴嘴種類豐富,可根據用途進行選擇
除簇射噴頭、噴管等8種標準噴嘴外,還備有各種形狀 的噴嘴(包括接單生產)。
造就良好離子平衡
|
小型設計,可在狹小的位置瞄準工件,進行有效的靜電消除
|
高功能,無需控制器
本體具有的豐富功能,充分考慮到生產現場使用的簡便性,且無需控制器。
放電停止輸入
|
可通過外部設備的輸入信號使放電ON/OFF。可用傳感器等檢測工件,僅在需要使用時產生離子。 |
|
放電指示燈
|
放電的ON/OFF狀態可通過LED指示燈確認。可預先避免電源ON但卻沒有放電的異常情況。 |
|
設計安全、維護簡單
|
放電針可從本體后部拔出,因此更換針時無需拆卸噴嘴。即使離子噴嘴靠近工件安裝,也可簡單進行維護。 |
|
安全設計
|
具有“檢查功能”和“非正常放電監控功能”,能自動提示放電針的清潔、更換時期,可預防非正常放電導致的故障。各種功能都可以通過LED指示燈確認。并且還能利用各種功能的輸出,從外部對靜電消除器的工作狀態進行監控。 |
|
低消耗電量&低電壓接線
電源電壓為24V DC,消耗電量僅為70mA以下。
此外,無需高壓電纜可保證操作安全。
放電針有噴嘴保護
|
放電針未暴露在外,無需擔心意外接觸。此外,靠近金屬物體時也不用擔心漏電。 |
|
種類
靜電消除器本體
靜電消除器本體不附帶噴嘴和帶連接器電纜。請務必另行訂購噴嘴及帶連接器電纜。
| 種類 | 形狀 |
靜電消除時間 (±1,000V→±100V) |
離子平衡 | 型號 |
|---|---|---|---|---|
| 焦點型 |
![]() ※照片為裝有簇射噴嘴時的狀態 |
1秒(注1) | ±10V以下(注1) |
ER-VS02
|
| (注1): |
使用電源電壓為24V、距離送風口前部100mm、使用簇射噴嘴的情況下,外加壓力為0.25MPa時的代表示例。 (從放置在相對濕度為65%RH以下空氣中24小時以上的樣例測得) |
|---|
噴嘴
靜電消除器本體不附帶噴嘴。請務必另行購買噴嘴。
| 品名 | 形狀 | 型號 | 內容 | ||
|---|---|---|---|---|---|
| 簇射噴嘴 |
|
ER-VAS | 空氣擴散型。 | ||
| 直線型噴嘴 |
|
ER-VAB020 | 靜電消除有效長度200mm | 在直線型桿上,開有多個小孔。 | |
| ER-VAB032 | 靜電消除有效長度320mm | ||||
| ER-VAB065 | 靜電消除有效長度650mm | ||||
| 形狀保持管 | 連接型噴嘴 |
|
ER-VAJK | 靜電消除器本體和形狀保持管連接噴嘴。 | |
| ? |
|
ER-VAK10 | 管長112mm |
導管可輕松彎曲,并能保持彎曲形 狀,因此無需固定。 (最小彎曲半徑:R40mm) |
|
| ER-VAK30 | 管長312mm | ||||
| ER-VAK50 | 管長512mm | ||||
| 傳導電子管 | 連接型噴嘴 |
|
ER-VAJT-64 | 靜電消除器本體和傳導電子管連接噴嘴。 | |
| ? |
|
ER-AT50 | 管長500mm |
可任意彎曲。 可裁切及改變長度。 (最小彎曲半徑:R15mm) |
|
帶連接器電纜
靜電消除器本體不附帶帶連接器電纜。請務必另行訂購帶連接器電纜。
生產終止(預定)品
以下商品為生產終止預定品。
| ※ |
推薦替代品并不保證與生產終止品的規格保持一致。 使用時,請參照產品目錄的詳細規格進行確認。 |
|---|
| 生產終止(預定)品 | 推薦替代品 | |||||
|---|---|---|---|---|---|---|
| 商品名 | 訂貨產品號 | 終止時間 | ? | 訂貨產品號 | 系列名 | 備注 |
| 靜電消除器 | ER-VS01 | 2013年9月30日 |
|
ER-VS02 | 超小型靜電消除器[高頻AC方式] ER-V | |
規格
靜電消除器本體
| 種類 | 焦點型 | ||
|---|---|---|---|
| 型號 | ER-VS02 | ER-VS01 | |
|
靜電消除時間 (±1,000V→±100V) |
1秒以下(注2) | ||
| 離子平衡 | ±10V以下(注2) | ||
| 臭氧產生量 | 0.03ppm以下(注3) | ||
| 使用流體 | 空氣(干燥的潔凈空氣)(注4) | ||
| 供應空氣流量 | 500l/min. (ANR)以下(注5) | ||
| 耐壓范圍 | 0.05~0.7MPa(注5) | ||
| 電源電壓 | 24V DC±10% | ||
| 消耗電流 | 70mA以下 | ||
| 放電方式 | 高頻AC方式 | ||
| 放電輸出電壓 | 約2,000V | ||
| 檢查輸出(CHECK) |
NPN開路集電極晶體管 ?最大流入電流:50mA ?外加電壓:30V DC以下(檢查輸出和0V之間) ?剩余電壓:1V以下(流入電流為50mA時) |
||
| 輸出動作 | 檢測到放電針有污染或磨損等時ON,工作正常時OFF | ||
| 短路保護 | 配備 | ||
| 故障輸出(ERROR) |
NPN開路集電極晶體管 ?最大流入電流:50mA? ?外加電壓:30V DC以下(故障輸出和0V之間) ?剩余電壓:1V以下(流入電流為50mA時) |
||
| 輸出動作 | 檢測到非正常放電時OFF,工作正常時ON | ||
| 短路保護 | 配備 | ||
|
放電停止輸入 (DSC OFF)(注6) |
與0V短接:停止放電 斷開:允許放電(動作開始) |
||
| 復位輸入(RESET) | 檢測到非正常放電而將放電電路斷開時,通過與電源的0V短接后再斷開,可重啟放電電路。 | ||
|
指? 示 燈 |
電源(POWER) | 綠色LED(通電時點燈) | |
| 放電(DSC) | 綠色LED(放電時點燈) | ||
| 檢查(CHECK) | 橙色LED(檢測到放電針上有灰塵或磨損時亮起) | ||
| 故障(ERROR) | 紅色LED(檢測到非正常放電時亮起) | ||
|
環 境 性 能 |
使用環境溫度 | 0~+55℃(注意不可結露) | |
| 使用環境濕度 | 35~65%RH | ||
| 耐振動 | 頻率10?150Hz 雙振幅0.75mm X,Y和Z方向各2小時 | ||
| 電纜 | 帶連接器電纜,長0.5m | ||
| 材質 | 外殼:PPS、外罩:不銹鋼、放電針:鎢 | ||
| 重量 | 本體重量:約120g | ||
| 附件 | 接線用連接器[Molex生產:外殼(5557-08R)、端子(5556TL)] :1套 | ||
(注1):無指定時的測量條件為使用環境溫度=+20℃。
(注2):使用電源電壓為24V、距離送風口前部100mm、使用簇射噴嘴的情況下,外加壓力為0.25MPa時的代表示例。(從放置在相對濕度為65%RH以下空氣中24小時以上的樣例測得)
(注3):使用電源電壓為24V、距離送風口前部300mm、使用簇射噴嘴的情況下,外加壓力為0.25MPa時的代表示例。
(注4):干燥的潔凈空氣是指經過空氣干燥器(凝固點約為-20℃程度)和空氣濾網(網眼大小月約為0.01μm)產生的空氣。
(注5):使用壓力范圍依據使用的噴嘴而不同。
(注6):「DSC」為「DISCHARGE」的縮寫。
噴嘴/導管
| 種類 | 簇射噴嘴 | 直線型噴嘴200mm | 直線型噴嘴320mm | 直線型噴嘴650mm |
|---|---|---|---|---|
| 型號 | ER-VAS | ER-VAB020 | ER-VAB032 | ER-VAB065 |
| 使用壓力范圍 | 0.05~0.40MPa | |||
| 靜電消除范圍 | ? | 200mm | 320mm | 650mm |
| 材質 | 不銹鋼 | |||
| 附件 | 附件:1個、樹脂導管:1根 | 附件:1個、樹脂導管:1根、直線型噴嘴支座:1套 | ||
(注1):無指定時的測量條件為使用環境溫度=+20℃。
|
噴嘴/導管
| 種類 | 形狀保持管連接噴嘴 | 導電子管連接噴嘴 |
|---|---|---|
| 型號 | ER-VAJK | ER-VAJT-64 |
| 氣壓范圍 | 0.02~0.5MPa | 0.02~0.7MPa(最大外加壓力因導管長度而異。參閱下圖) |
| 材質 | 不銹鋼 | 不銹鋼 |
| 消耗空氣流量 | 30~250l/min.(ANR) | 20~160?/min.(ANR)(外加壓力0.02~0.7MPa時) |
| 附件 | 附件(白色):1個、樹脂導管:1根 | 附件(白色):1個、樹脂導管:1根 |
(注1):無指定時的測量條件為使用環境溫度=+20℃。
噴嘴/導管
| 種類 | 形狀保持管 | 導電性導管 | ||
|---|---|---|---|---|
| 型號 | ER-VAK10 | ER-VAK30 | ER-VAK50 | ER-AT50 |
| 導管長度 | 112mm | 312mm | 512mm | 500mm |
| 材質 | 導管內部:鋁、導管外殼:高密度聚乙烯、端蓋:不銹鋼 | 聚氨脂 | ||
| 氣壓范圍 | 0.02~0.5MPa | 0.02~0.7MPa | ||
| 最小彎曲半徑 | R40mm以上 | R15mm以上 | ||
(注1):無指定時的測量條件為使用環境溫度=+20℃。
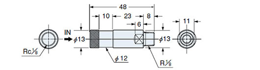
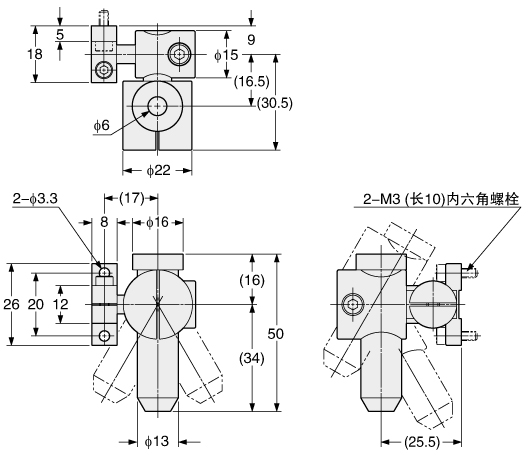
尺寸圖
- 單位mm
ER-VS02
ER-VS01
靜電消除器本體
|
|
|
|
|
ER-VAK□
形狀保持管(另售)
|
ER-AT50
傳導電子管(另售)
|
ER-VAJK
形狀保持管連接噴嘴(另售)
|
ER-AF10
小型管道過濾器(另售)
|
ER-VAJT-64
傳導電子管連接噴嘴(另售)
|
ER-AF20
小型管道過濾器(另售)
|
ER-ATH
傳導電子管支座(另售)
|
ER-VAPS1
AC適配器(另售)
|
用途
|
|
|
|
|
可選件
|
|
|
|||||||||
|
停止生產品
以下產品為已停產的產品。
| 已停產的產品 | 推薦替代品 | ||||||
|---|---|---|---|---|---|---|---|
| 商品名稱 | 訂貨產品號 | 型號 | 停產日期 | ? | 訂貨產品號 | 系列名稱 | 備注 |
| 放電針單元 | ER-VANT | ER-VANT | 2014年3月31日 |
|
ER-VANT2 | 放電針單元 | |






















科恩電氣
科恩眾和