薄型光幕傳感器[Type4 PLe SIL3] SF4C
安全性與生產性,融為一體 薄型光幕傳感器
- 基本信息
- 產品種類
- 詳細規格
- 產品尺寸
- 產品用途
- 可選件
|
※1
|
|
|
※2
|
※3
|
※4
|
| ※1 | 機械·EMC指定適用 |
|---|---|
| ※2 | 認證獲得 |
| ※3 | NRTL認證 |
| ※4 | 認證獲得(僅限SF4C-H□) |
特點
■為了安全的使用
在使用光幕傳感器的同時、為了確認系統完全處于安全中,請滿足以下要求的控制系統的構成。
>>關于光幕傳感器使用上的注意事項
正適合寬13mm的小型設備
|
可用于多種用途,同時使裝置更加簡單[大型應用指示燈]
|
配置于光幕傳感器中央部3面的高亮度LED指示燈根據外部輸入點亮為綠色·紅色。無需另外準備作業指示燈,裝置更加簡潔。 |
|
■應用
|
更薄,使用范圍更大
|
保護構造IP67
如此小型的光幕傳感器,實現IP67(IEC/JIS)保護構造。
適用于充電電池制造的材質
|
SF4C的本體采用樹脂,安裝支架采用SUS,均為指定材質。非常適用于充電電池制造以及食品制造機械等。 |
|
連接安全設備,節省配線[安全輸入功能]
|
光幕傳感器本體上可以連接緊急停止開關、安全門開關等的輸出接點。此外,使用手動控制器SFC-HC,可以對3套光幕傳感器進行跨接配線,同時對安全輸出進行集中控制。 |
|
|
|
(注1):從SF4C系列Ver.2.1起,可以使用手動控制器SFC-HC進行設定。
光軸對齊指示燈,縮短啟動時間
光幕傳感器的光軸分成4等分顯示,入光位置一目了然。作為光軸的對齊基準,當底端(或頂端)的光軸對齊時,LED呈紅色閃爍。此后,光軸對齊的部分依次亮紅燈,如果所有光軸都入光則所有的LED均亮綠燈。再加上入光量指示燈(STB),可確保設置更加穩定。
|
1種型號即可對應PNP/NPN兩種極性,減少登陸型號
1種型號同時支持PNP晶體管輸出和NPN晶體管輸出。PNP的國外設備、NPN傳感器的調換、正極接地的工廠、設備的國外轉移等等,1種型號即可適應全球各種控制電路。
|
無需光幕傳感器專用安全繼電器單元,即可構建安全電路〔外部設備監控功能〕
光幕傳感器本體內置安全繼電器單元的功能,可對外部設備進行監控(繼電器熔敷監視等),并具備聯鎖功能等。因此無需使用安全繼電器即可構建安全電路,同時減小控制柜的體積,實現成本節約。
|
無需專用單元即可直接與外部設備(安全繼電器等)連接,因此能夠有效實現裝置的簡略化,在節約成本的同時,減少各種故障。
安全繼電器推薦商品的通告
●安全繼電器
Panasonic(株)生產的SF繼電器
|
安全性、生產性、削減成本〔屏蔽控制功能〕
光幕傳感器本體內置屏蔽控制功能,僅在人體通過時使生產線停止,而工件通過時則可照常運行。屏蔽傳感器與屏蔽燈可直接連接至光幕傳感器。此外,還可將大型應用指示燈作為屏蔽燈使用,減少配線故障,同時實現安全性、生產性的提高和成本下降。
|
重量輕!
種類
|
【1】【2】光幕傳感器
|
|
【3】【4】連接電纜
|
維護部件(光幕傳感器中附帶)
|
|
規格
光幕傳感器個別規格
| 種類 | 最小檢測物體φ25mm(20mm間距) | |||
| 型號 |
中繼連接器 型 |
SF4C-H8-J05 | SF4C-H12-J05 | SF4C-H16-J05 |
|
電纜 型 |
SF4C-H8 | SF4C-H12 | SF4C-H16 | |
| 光軸數 | 8 | 12 | 16 | |
|
檢測高度 (防護高度) |
160mm | 240mm | 320mm | |
| 消耗電流 |
大型應用 指示燈 熄滅時 |
投光器:70mA以下 受光器:85mA以下 |
投光器:70mA以下 受光器:90mA以下 |
|
|
大型應用 指示燈 亮起時 |
投光器:120mA以下 受光器:135mA以下 |
投光器:120mA以下 受光器:140mA以下 |
||
| PFHd | 1.66×10-9 | 1.90×10-9 | 2.10×10-9 | |
| MTTFd | 100年以上 | |||
|
重量 (投?受光器 合計) |
中繼連接器 型 |
本體重量:約240g | 本體重量:約300g | 本體重量:約360g |
|
電纜 型 |
本體重量:約630g | 本體重量:約700g | 本體重量:約760g | |
| 種類 | 最小檢測物體φ25mm(20mm間距) | ||||
| 型號 |
中繼連接器 型 |
SF4C-H20 -J05 |
SF4C-H24 -J05 |
SF4C-H28 -J05 |
SF4C-H32 -J05 |
|
電纜 型 |
SF4C-H20 | SF4C-H24 | SF4C-H28 | SF4C-H32 | |
| 光軸數 | 20 | 24 | 28 | 32 | |
|
檢測高度 (防護高度) |
400mm | 480mm | 560mm | 640mm | |
| 消耗電流 |
大型應用 指示燈 熄滅時 |
投光器:75mA以下 受光器:95mA以下 |
投光器:80mA以下 受光器:100mA以下 |
||
|
大型應用 指示燈 熄滅時 |
投光器:120mA以下 受光器:145mA以下 |
投光器:120mA以下 受光器:150mA以下 |
|||
| PFHd | 2.33×10-9 | 2.54×10-9 | 2.77×10-9 | 2.98×10-9 | |
| MTTFd | 100年以上 | ||||
|
重量 (投?受光器 合計) |
中繼連接器 型 |
本體重量: 約420g |
本體重量: 約490g |
本體重量: 約550g |
本體重量: 約610g |
|
電纜 型 |
本體重量: 約820g |
本體重量: 約880g |
本體重量: 約950g |
本體重量: 約1,000g |
|
光幕傳感器通用規格
| 種類 | 中繼連接器型 | 電纜型 | |
| 型號 | SF4C-H□-J05 | SF4C-H□ | |
|
適 用 標 準 |
國際標準 |
IEC 61496-1/2(類型4)、ISO 13849-1(類別4、PLe)、 IEC 61508-1?7(SIL3) |
|
| 日本 |
JIS B 9704-1/2(類型4)、JIS B 9705-1(類型4)、 JIS C 0508(SIL3) |
||
| 歐州(EU加盟)(注2) |
EN 61496-1(類型4)、EN ISO 13849-1(類型4、PLe)、 EN 61508-1?7(SIL3)、EN 55011、EN 50178、EN 61000-6-2 |
||
| 北美(注3) |
ANSI/UL 61496-1/2(類型4)、ANSI/UL 508、 UL 1998(2級)、CSA 61496-1/2(類型4)、 CSA C22.2 No.14、OSHA 1910.212、OSHA 1910.217(C)、 ANSI B11.1?B11.19、ANSI/RIA 15.06 |
||
| 檢測距離(有效距離)(注4) | 0.1?3m | ||
| 最小檢測物體(注5) | φ25mm的不透明體 | ||
| 有效開口角 | 檢測距離達3m時,為±2.5°以下(基于IEC 61496-2/UL 61496-2) | ||
| 電源電壓 | 24V DC+10-15% 脈動P-P10%以下 | ||
|
控制輸出 (OSSD 1、OSSD 2) |
PNP開路集電極晶體管/NPN開路集電極晶體管(切換式) ?最大源電流:200mA ?外加電壓:與電源電壓相同(控制輸出和+V之間) ?剩余電壓:2.5V以下(源電流200mA、電纜長10m時) ?漏電流:200μA以下(包括電源OFF時) ?最大負載容量:1μF(空載~最大流出電流) ?負載配線電阻:3Ω以下 ?最大流入電流:200mA ?外加電壓:與電源電壓相同(控制輸出和0V之間) ?剩余電壓:2.5V以下(流入電流200mA、電纜長10m時) ?漏電流:200μA以下(包括電源OFF時) ?最大負載容量:1μF(空載~最大流入電流) ?負載配線電阻:3Ω以下 |
||
| ? | 工作模式(輸出動作) | 所有光軸入光時ON,1個以上光軸遮光時OFF(光幕傳感器內部異常及同步信號異常時OFF。)(注6)(注7) | |
| 保護電路(短路保護) | 配備 | ||
| 反應時間 | OFF反應時間為7ms以下、ON反應時間為90ms以下 | ||
|
輔助輸出 (非安全輸出) |
PNP開路集電極晶體管/NPN開路集電極晶體管(切換式) ?最大源電流:100mA ?外加電壓:與電源電壓相同(輔助輸出和+V之間) ?剩余電壓:2.5V以下(源電流100mA、電纜長10m時) ?最大流入電流:100mA ?外加電壓:與電源電壓相同(輔助輸出和0V之間) ?剩余電壓:2.5V以下(流入電流100mA、電纜長10m時) |
||
| ? | 工作模式(輸出動作) | 控制輸出ON時OFF、控制輸出OFF時ON(出廠時設定。使用手動控制器SFC-HC可變更工作模式。) | |
| 保護電路(短路保護) | 配備 | ||
| ELCA功能 | 配備(自動減輕干擾) | ||
| 測試輸入/復位輸入功能 | 配備 | ||
| 聯鎖功能 | 配備[手動復位/自動復位(注8)] | ||
| 外部設備監控功能 | 配備 | ||
| 安全輸入功能 | 配備(安全用接點) | ||
| 屏蔽功能 | 配備 | ||
| 重啟功能 | 配備 | ||
| 可選功能(注9) |
固定消隱功能、浮動消隱功能、 輔助輸出切換功能、安全輸入功能(安全用傳感器)、 大型應用指示燈設定變更功能、聯鎖設定變更功能、 外部設備監控設定變更功能、屏蔽設定變更功能、 重啟設定變更功能、保護功能 |
||
|
環 境 性 能 |
保護構造 | IP67/IP65(IEC) | |
| 使用環境溫度 | -10?+55℃(注意不可結露、結冰)、存儲時:-25?+60℃ | ||
| 使用環境濕度 | 30?85%RH、存儲時:30?85%RH | ||
| 使用環境照明度 | 白熾燈:受光面照明度5,000Rx以下 | ||
| 耐電壓 | AC1,000V 1分鐘 所有電源連接端子與外殼之間 | ||
| 絕緣電阻 | 所有電源連接端子與外殼之間,20MΩ以上,基于DC500V的高阻表 | ||
| 耐振動 | 頻率10?55Hz 雙振幅0.75mm X,Y和Z方向各2小時 | ||
| 耐沖擊 | 加速度300m/s2(約30G) X,Y和Z方向各3次 | ||
| 投光元件 | 紅外LED(投光波峰波長:855nm) | ||
| 材質 | 本體外殼:聚碳酸酯合金,檢測面:聚碳酸酯合金 | ||
| 電纜 | 0.15mm2?附帶截面積為0.15mm2的12芯帶連接器耐熱PVC電纜,長0.5m | 0.15mm2?截面積為0.15mm2的12芯耐熱PVC電纜,長5m | |
| 電纜延長 | 使用0.2mm2以上的電纜時,投光器和受光器的全長均可延長至40.5m(注10) | ||
| 附件 | MS-SFC-1(標準安裝支架):1套、SF4C-TR25(測試桿):1根 | ||
(注1):無指定時的測量條件為使用環境溫度=+20℃。
(注2):機械指令已取得第三方認證機構TüV SüD的型號認證。
(注3):屬于美國/加拿大標準,經過合眾國聯邦法29 CFR 1910.7之下的勞動安全衛生局法(OSHA)認可的民間第三方認證機構NRTL的TüV SüD對安全性的認證,符合UL、ANSI、CSA等標準。
(注4):檢測距離是在投光器和受光器之間可設定的范圍。
(注5):使用浮動消隱功能時,最小檢測物體的大小會改變。
(注6):屏蔽時,即使光軸被遮光也不會OFF。
(注7):消隱功能有效時,工作模式改變。
(注8):通過配線,可切換手動復位/自動復位。
(注9):使用可選功能時,需要手動控制器SFC-HC。
(注10):使用屏蔽燈時,請將電纜全長控制在30.5m以下(投光器和受光器各1根)。
手動控制器
| 型號 | SFC-HC |
| 電源電壓 | 24V DC+10-15% 脈動P-P10%以下(與光幕傳感器的電源通用) |
| 消耗電流 | 65mA以下 |
| 通信方式 | RS-485雙向通信(專業程序) |
| 數字式指示燈 | 4位紅色LED顯示×2(顯示選擇光軸、設定內容等) |
| FUNCTION指示燈 | 綠色LED×9(功能設定時亮起) |
| 功能 |
固定消隱功能/浮動消隱功能/ 輔助輸出切換功能/安全輸入設定變更功能/ 大型應用指示燈設定變更功能/屏蔽設定變更功能/ 聯鎖設定變更功能/外部設備監控設定變更功能/ 重啟設定變更功能60s/保護功能 |
| 使用環境溫度 |
-10?+55℃(注意不可結露、結冰)、 存儲時:-25?+70℃ |
| 使用環境濕度 | 30?85%RH、存儲時:30?85%RH |
| 耐電壓 | AC1,000V 1分鐘 所有電源連接端子與外殼之間 |
| 絕緣電阻 | 所有電源連接端子與外殼之間,20MΩ以上,基于DC500V的高阻表 |
| 重量 | 本體重量:約200g |
(注1):無指定時的測量條件為使用環境溫度=+20℃。
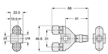
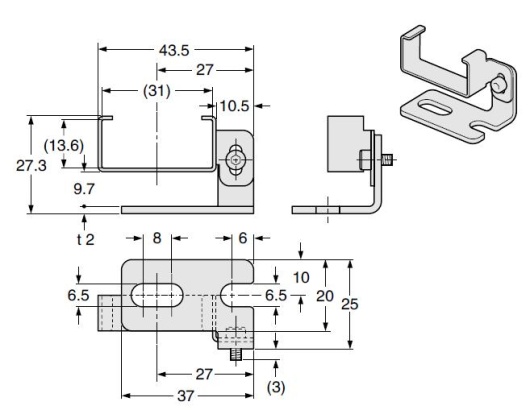
尺寸圖
- 單位mm
SF4C-□
|
|
|
|
MS-SFC-1
|
MS-SFC-2
|
SF4C-□
|
|
MS-SFC-3
|
|
MS-SFC-4
|
MS-SFCH-□
|
|
SFB-CC□-MU
|
SFB-CCJ□-MU
|
SFC-WY1
|
WY1-CC3
WY1-CC10
|
SFC-HC
|
SF-C13
|
可選件
安裝支架
|
NA2-N互換安裝支架
|
多用途支架
|
|
多用途支架用中間支撐支架
|
控制單元
|
安全繼電器推薦產品指南
Y型連接器
|
|
手動控制器
|
|
金屬保護外殼
|
|






















科恩電氣
科恩眾和