CC-Link Safety系統 光幕傳感器連接用遠程I/O單元 SF-CL1T264T
實現光幕傳感器的網絡化與省配線化
- 基本信息
- 產品種類
- 詳細規格
- 產品尺寸
- 產品用途
- 可選件
實現光幕傳感器的網絡化與省配線化
|
※1
|
|
※2
|
| ※1 | 機器?EMC指定適用 |
|---|---|
| ※2 | 可以對應控制類型4 |
特點
■安全使用
使用光幕傳感器時請事先確認系統的安全性、是否滿足以下控制系統的構成。
>>光幕傳感器的使用注意事項
可進行光幕傳感器、安全設備的網絡控制
|
可將光幕傳感器、安全設備連接至安全現場網絡后,通過網絡進行控制。 CC-Link Safety強化了現場網絡CC-Link的通信異常檢測功能,利用擴展為適用于設備安全的安全現場網絡,使產品符合了國際安全標準ISO 13849-1:1999(JIS B 9705-1)的控制類別4的要求。 |
|
可分散設置安全電路
每個遠程I/O單元分別構建安全電路,因此可縮短I/O的配線,并可輕松進行擴展與變更。
|
省配線! 輕松連接光幕傳感器SF4B系列
可通過連接器輕松連接最多2套光幕傳感器SF4B系列。
(使用端子座時可連接2套以上。)
|
集中安全設備并連接至網絡
|
屏蔽控制也可通過時序程序進行設定
|
端子座為可裝拆式
|
端子座在連接電纜的狀態下可直接裝拆,因此有效削減了維護工時。 |
|
種類
遠程I/O單元
|
光幕傳感器連接電纜
|
規格
| 種類 | CC-Link Safety系統 光幕傳感器連接用遠程I/O單元 | |
| 型號 | SF-CL1T264T | |
| 可連接的光幕傳感器 | SF4B系列(注2) | |
| 適用標準 |
IEC/EN 61508(SIL3)、 EN ISO 13849-1(JIS B 9705-1)(類別4、PLe)、UL 508 |
|
|
單元電源 (注3) |
電源電壓 | 24V DC±10% 脈動P-P10%以下 |
| 消耗電流 | 140mA以下(24V DC、所有點ON時) | |
| 保護功能 | 電源過電壓·過電流保護功能 | |
| 保險絲 | 0.8A(不可更換) | |
| 瞬停時間 | 10ms以下 | |
|
輸入 規格 |
輸入點數(注4) | 光幕傳感器輸入:2套(帶防干擾功能)、端子座輸入:6點(輸入端子12點) |
| 絕緣方式 | 光耦絕緣 | |
| 額定輸入電壓 | 24V DC | |
| 額定輸入電流 | 約4.6mA | |
| 使用電壓范圍 | 24V DC±10% 脈動P-P10%以下 | |
| 最大同時輸入點數 | 100% | |
| ON電壓/ON電流 | 15V DC以上/2mA以上 | |
| OFF電壓/OFF電流 | 5V DC以下/0.5mA以下 | |
| 輸入電阻 | 約5.6kΩ | |
| 輸入形式 | 負極公共端 | |
| 反應時間 |
OFF→ON:0.4ms以下(24V DC時,不含連接設備的反應時間) ON→OFF:0.4ms以下(24V DC時,不含連接設備的反應時間) |
|
| 安全遠程站輸入反應時間(注6) |
技術版本A:32ms以下+除干擾過濾器時間 (1ms、5ms、10ms、20ms、50ms) 技術版本B:11.2ms以下+除干擾過濾器時間 (1ms、5ms、10ms、20ms、50ms) |
|
|
輸出 規格 |
輸出點數 | 4點(選擇源型+漏型時)、2點(選擇源型+漏型時) |
| 絕緣方式 | 光耦絕緣 | |
| 額定負載電壓 | 24V DC | |
| 額定負載電壓范圍 | 24V DC±10% 脈動P-P10%以下 | |
| 最大負載電流 | 0.5A/點 | |
| 最大沖擊電流 | 1.0A(10ms以下) | |
| 漏電流 | 0.5mA以下 | |
| 剩余電壓 | 1.0V DC以下 | |
| 保護功能 | 輸出短路保護功能 | |
| 輸出形式 | 源型+漏型、源型+源型 | |
| 反應時間 | OFF→ON:0.4ms以下(24V DC時)、ON→OFF:0.4ms以下(24V DC時) | |
| 安全遠程站輸出反應時間 |
技術版本A:32ms以下 技術版本B:OFF應對10.4ms以下、ON應對11.2ms以下 |
|
| 電涌保護 | 配備(齊納二極管) | |
|
外部供應電源 (外部連接設備用) (注3) |
電壓 | 24V DC±10% 脈動P-P10%以下 |
| 電流 | 60mA(24V DC、所有點ON時、不含外部負載電流) | |
| 保護功能 | 外部供應電源過電壓·過電流保護功能 | |
| 保險絲 | 8A(不可更換) | |
| 公共端方式 | 輸入16點1個公共端、輸出4點1個公共端(端子座型2線式) | |
| 公共端電流 | 最大4A(輸入·輸出合計值) | |
| 占用站數 | 1站 | |
| 單元內部非易失性存儲器的存取次數 | 1012次 | |
| 安全刷新反應處理時間(注6) |
技術版本A:38ms 技術版本B:9.6ms |
|
|
環 境 性 能 |
使用環境溫度 | 0~+55℃(注意不可結露、結冰),存儲時:-40~+75℃ |
| 使用環境濕度 | 5~95%RH,存儲時:5~95%RH | |
| 耐電壓/絕緣電阻 |
AC500V 1分鐘 所有DC外部端子與接地線之間/ 10MΩ以上,基于DC500V的高阻表 所有DC外部端子與接地線之間 |
|
| 耐振動/耐沖擊 | 依據JIS B 3502、IEC 61131-2 | |
| PFD | 2.57×10-5 | |
| 檢驗周期(T1) | 5年 | |
| PFHd | 1.15×10-9 | |
| MTTFd | 100年以上 | |
| 過電壓類別 | II以下 | |
| 污染度 | 2以下 | |
| 使用環境 | 沒有腐蝕性氣體的地方 | |
| 使用標高 | 2,000m以下 | |
| 使用場所 | 控制面板內 | |
| 裝置等級 | ClassIII | |
|
外部 連接 方式 |
通信部 電源單元部分 |
7點2部分端子臺(傳送電流、電源單元、F.G.) M3(長5.2mm)、 緊固扭矩0.425?0.575N?m 合適的壓接端子插入個數為2個以內 |
|
外部供給電源部分 輸入?輸出部分 |
7點、18點2部分端子臺(外部供給電源、I/O信號) M3(長5.2mm)、 緊固扭矩0.425?0.575N?m 合適的壓接端子插入個數為2個以內 |
|
| 適合DIN軌道 | TH35?7.5Fe、TH35?7.5Al(JIS C 2812作為標準) | |
| 配線電纜 | 0.3?2.0mm2 | |
| 合適的壓接端子 | RAV1.25-3(依據JIS B 2805)(適合的電線尺寸:0.3~1.25mm2) | |
| 重量 | 本體重量:約0.7kg | |
(注1):無指定時的測量條件為使用環境溫度=+20℃。
(注2):作為CE標準匹配產品,在使用的時候,光幕傳感器與本產品之間的電纜長度請使用30m以下的電纜。(投?受光器分別使用)
(注3):請確保連接至SF-CL1T264T的電源滿足下列條件。
(1) SELV(Safety Extra Low Voltage):與危險電位部(48V以上)強化絕緣。
(2) 符合LVD指令。
(3) 輸出電壓規格為21.6~26.4V DC(脈動P-P10%以下)。
(4) CLASS2對應的東西(UL目錄、標志/c-UL US目錄、必要的情況下的合適標志。)
(注4):總輸入點數為8點,2點通過2套光幕傳感器的控制輸出(OSSD1、OSSD2)進行使用。此外,由于采用雙重化配線,因此1個輸入使用2點輸入端子。
(注5):該產品連接器1或者連接器2可以接續的光幕傳感器,串聯接續最多三套。(但是,合計光軸數最多到192光軸為止)
該產品的連接器1和連接器2在光幕傳感器接續的時候,光幕傳感器最多合計為3套的時候(但是,合計光軸數最大為192光軸),連接器1和連接器2之間雖然有防止干擾的裝置,但是在光幕傳感器超過3套的時候,或者合計光軸數最大超過192光軸的時候,連接器1和連接器2之間的防止干擾裝置時不工作的,請注意。
(注6):本產品技術上的說明,請確認產品本身的標牌。
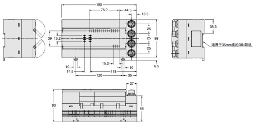
尺寸圖
- 單位mm
|





















科恩電氣
科恩眾和