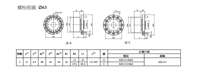
APEX臺灣精銳直齒齒輪(曲齒聯結式 / EN ISO 9409-I-A) 精度等級 Quality DIN 4 / 合金鋼 螺栓節圓Φ63 (模數M:2)
高精密度、高負載 、高速度、低噪音、長使用壽命、快速交貨;APEX是全世界唯一一個嚴格按照以下規範生產齒排的製造商,APEX也是全世界唯一能自己設計和生產齒排、齒輪和減速機的領導品牌,並提供良好協調的高品質傳動組件,以滿足不同的工業需求。
編 號:10417596505
型 號:Q DIN 4合金鋼 Φ63 (M:2)
品 牌: APEX產品(臺灣精銳)
貨 期:現貨
服 務:由科恩電氣發貨并提供售后服務
瀏 覽:次
- 產品特點
- 詳細規格
- 產品尺寸
高負載
高速度
低噪音
長使用壽命
快速交貨
APEX 是全世界唯一一個嚴格按照以下規範生產齒排的製造商 :
所有尺寸的幾何公差
定義的直線度、平行度和垂直度
螺旋角和壓力角的公差
定義的齒部表面粗度
定義的齒部硬度和硬化層深度
APEX也是全世界唯一能自己設計和生產齒排、齒輪和減速機的領導品牌,並提供良好協調的高品質傳動組件,以滿足不同的工業需求。

















科恩電氣
科恩眾和