APEX臺灣精銳減速機AE120 單節 減速比3-10
螺旋齒輪設計;筒夾式的鎖緊機構;馬達連接板的模組化設計;一體式的齒輪箱本體;NyoGel 792D 合成潤滑油脂;一體式的臂架;先進的離子氮化技術;3D拓蹼的設計分析技術;滿針的滾針軸承設計;輸出端專利的油封系統設計
- 產品特點
- 詳細規格
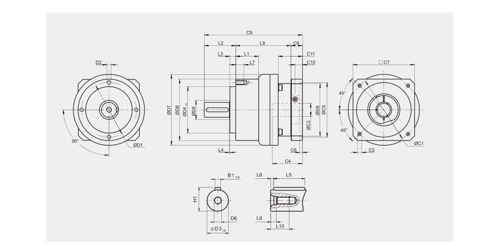
- 產品尺寸





螺旋齒輪設計;筒夾式的鎖緊機構;馬達連接板的模組化設計;一體式的齒輪箱本體;NyoGel 792D 合成潤滑油脂;一體式的臂架;先進的離子氮化技術;3D拓蹼的設計分析技術;滿針的滾針軸承設計;輸出端專利的油封系統設計