PT系列-單伺服動力刀塔 PT-25-RL-380-12-I/Motor
大尺寸超高強度的三片式曲齒聯軸器,確保優異的定位精度與重復精度,并有低噪音高扭力的動力傳輸,高耐用性,非分離式聯軸設計,防止切削屑片或冷卻液對機構可能造成的污染。快速而強力的油壓鎖附機構,提升總體的加工性能。高速雙向換刀系統,任意選換刀具,極度縮短刀塔非加工時間。
編 號:104978497
型 號:PT-25-RL-380-12-I/Motor
品 牌: APEX產品(臺灣精銳)
貨 期:現貨
服 務:由科恩電氣發貨并提供售后服務
瀏 覽:次
- 產品特點
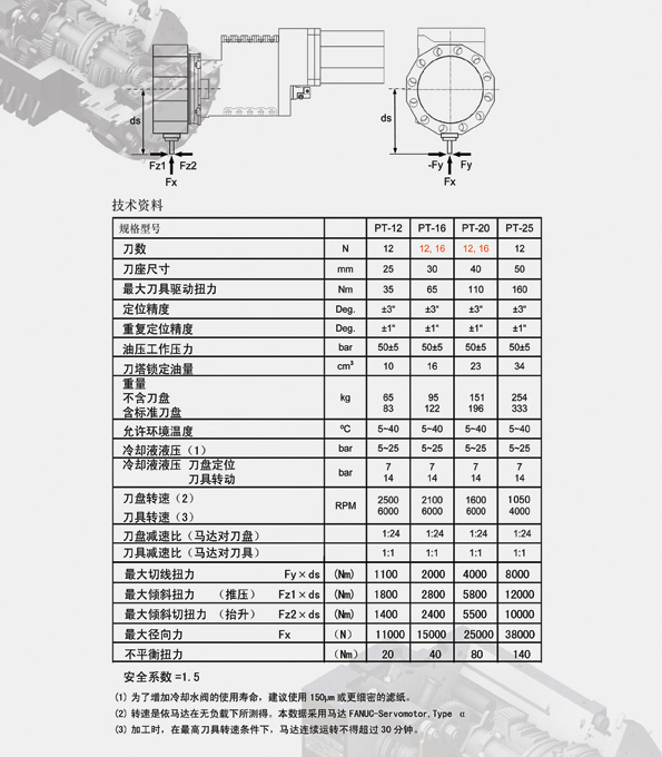
- 詳細規格
- 產品尺寸
2)大尺寸超高強度的三片式曲齒聯軸器,確保優異的定位精度與重復精度,并有低噪音高扭力的動力傳輸,高耐用性,非分離式聯軸設計,防止切削屑片或冷卻液對機構可能造成的污染。
3)快速而強力的油壓鎖附機構,提升總體的加工性能
4)高速雙向換刀系統,任意選換刀具,極度縮短刀塔非加工時間,提升總體的工作效率和生產力
5)高轉速高扭矩的刀具驅動,提供極度的切削性能
6)動力刀座可以應用于任意的刀盤孔位,確保最高的加工靈活度與效率,并減少干涉的可能性
7)高負荷設計提供出色的前向與后向重切削加工,高穩定性的箱體設計保證高剛性的切削過程
8)內建扭力限制器,降低萬一碰撞造成的損害
9)內建正壓系統,并特別設計刀盤頭上4個逃氣孔,預防切削屑片或切削液進入刀塔造成污染與損壞,從而提升刀塔使用壽命
10)可任意配合各廠牌伺服馬達























科恩電氣
科恩眾和