通用傳感器安裝支架 MS-AJ
8種型號的安裝支架,可隨意安裝傳感器、光纖、反射鏡
編 號:101510291
型 號:MS-AJ
品 牌:Panasonic(松下電工)
貨 期:現貨
服 務:由科恩電氣發貨并提供售后服務
瀏 覽:次
- 基本信息
- 產品種類
- 詳細規格
- 產品尺寸
- 產品用途
- 可選件
8種型號的安裝支架,可隨意安裝傳感器、光纖、反射鏡
|
特點
輕松實現檢測位置的變更、微調
傳感器安裝后的微調簡便易行。
|
可安裝在垂直或水平面上
|
安裝在水平面上 |
8種型號
|
|
|
|
種類
| 種類 | 形狀 | 型號 |
適用傳感器、 反射鏡和光纖 |
|
|---|---|---|---|---|
| 基本組件 | 水平安裝型 |
|
MS-AJ1 |
CX-400系列 CX-L400系列 LS系列 EQ-20系列(注1) EX-40系列 EZ-10系列 RF-210(反射鏡) |
| 垂直安裝型 | MS-AJ2 | |||
| 側臂組件 | 水平安裝型 |
|
MS-AJ1-A | |
| 垂直安裝型 | MS-AJ2-A | |||
| 反射鏡用組件 | 水平安裝型 |
|
MS-AJ1-M |
RF-220(反射鏡) RF-230(反射鏡) |
| 垂直安裝型 | MS-AJ2-M | |||
| 光纖用組件 | 水平安裝型 |
|
MS-AJ1-F |
FD-L51(光纖) FD-L52(光纖) FD-L53(光纖) FD-L54(光纖) M3、M4、M6螺紋型光纖 |
| 垂直安裝型 | MS-AJ2-F | |||
| (注1): | EEQ-20系列已于2005年12月停止生產。 |
|---|
單個零件(各單元可另行訂購。)
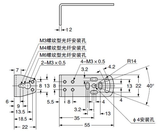
尺寸圖
- 單位mm
MS-AJ1
|
MS-AJ2
|
MS-AJ1
MS-AJ2
|
|
|
MS-AJ1-M
|
MS-AJ2-M
|
MS-AJ1-M
MS-AJ2-M
|
|
MS-AJ1-A
|
MS-AJ2-A
|
MS-AJ1-F
|
MS-AJ2-F
|
MS-AJ1-F
MS-AJ2-F
|
|
|



















科恩電氣
科恩眾和