圖像檢測裝置 PV500V2系列ANPV0502V2ADP
在速度、精度、生產性均能滿足需求的FA用高速圖像處理裝置。可應對各種檢查需求。(傷痕檢查、方向檢查、連接器專用檢查、位置檢查等)
編 號:101519283
型 號:ANPV0502V2ADP
品 牌:Panasonic(松下電工)
貨 期:現貨
服 務:由科恩電氣發貨并提供售后服務
瀏 覽:次
- 基本信息
- 產品種類
- 詳細規格
- 產品尺寸
- 產品用途
- 可選件
特點
|
圖像處理裝置應用實例提案集
特點
五處理器·DSP處理·流水線處理的3種技術實現了三重緩沖。
|
配備了試運行功能,可降低風險。 |
|
|
簡單、輕松地進行高精度測量
|
|
|
畫圖像預處理功能
|
易于辨認、一目了然自定義顯示
|
用途
可用于表面安裝型連接器、電子零件、汽車關連、藥品、食品等行業。
- 方向檢查
- 尺寸檢查
- 連接器檢查(間距、間隙、浮起)
- 有無檢查
- 內外檢查
- 位置檢查
- 傷痕檢查
- 瓶身檢查
- 藥劑顆粒檢查等
種類
| 項目 | 規格 | 訂貨產品號 | |
|---|---|---|---|
| 圖像檢測裝置 PV500V2 | NPN輸出 2攝像機型 | ANPV0502V2ADN | |
| NPN輸出 4攝像機型 | ANPV0504V2ADN | ||
|
PhotoMOS輸出 2攝像機型 |
ANPV0502V2ADP | ||
| PhotoMOS輸出 4攝像機型 | ANPV0504V2ADP | ||
| 攝像機 | 4倍速攝像機 (30萬像素) | ANPVC1040 | |
| 百萬像素攝像機 (200萬像素) | ANPVC1210 | ||
| 0.3M黑白小型攝像機 (3倍速) | ANPVC5030 | ||
| 攝像機電纜 | 3m | ANPVC8103 | |
| 5m | ANPVC8105 | ||
| 10m | ANPVC8110 | ||
| 耐彎曲攝像機電纜 | 3m | ANPVC8103R | |
| 5m | ANPVC8105R | ||
| 10m | ANPVC8110R | ||
| 鏡頭 | 4倍速攝像機用 | f=6 帶鎖定 | ANB842NL |
| f=8.5 帶鎖定 | ANB843L | ||
| f=16 帶鎖定 | ANB845NL | ||
| f=16 帶鎖定 | ANM88161 | ||
| f=25 帶鎖定 | ANB846NL | ||
| f=25 帶鎖定 | ANM88251 | ||
| f=50 帶鎖定 | ANB847L | ||
| f=50 帶鎖定 | ANM88501 | ||
| 百萬像素攝像機用 | f=16 | ANPVL162 | |
| f=25 | ANPVL252 | ||
| f=50 | ANPVL502 | ||
| 中間環 |
4倍速攝像機? 百萬像素攝像機用 |
5mm × 1個 | ANB84805 |
| (40, 20, 10, 5, 1, 0.5mm 各 1個) | ANB848 | ||
| XGA顯示器 | 10.4英寸 | ANPVM11021 | |
| 顯示器電纜 | 3m | ANMX83313 | |
| 5m | ANMX83315 | ||
| 鍵盤 | 3m | ANPVP03 | |
| 10m | ANPVP10 | ||
| COM端口連接電纜 | PLC(散線)連接用 2m | AIP81842 | |
| D-sub9 針交叉電纜 2m | AIP81862N | ||
| PC連接用電纜 3m | AFB85853 | ||
* 在顯示器電纜和串行電纜上需要安裝規定的鐵氧體磁芯。
※關于各產品的價格,敬請聯系各營業分公司。
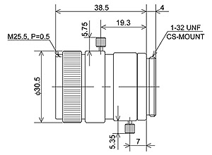
尺寸圖
- 單位mm
系統構成
|



















科恩電氣
科恩眾和