通用型取出機(機械手)-YS系列YST550
取出快速,高品質,簡易按裝與維修容易,是射出廠最佳獲利回收的利器.
- 產品特點
- 詳細規格
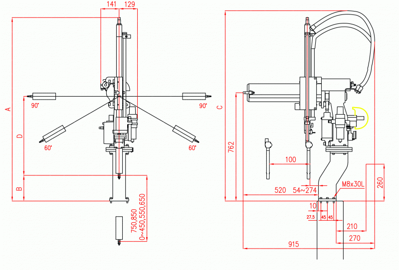
- 產品尺寸
2) 急停連鎖保護:機械手與射出機,任一方有緊急狀況處理,兩者皆有連鎖保護。
3) 安全門連鎖保護:安全門可控制射出機之關模指令,亦可控制機械手之動作,若
機械手取物失敗,排除故障後,安全門即可重置。 。
4) 全自動模式確定:機械手在自動執行程式時,會偵測射出機是否處於自動操作模
式。
5) 不良品的檢出與分類:
(1)可輔助不良成品之判定。(2)可將不良品與正常成品分開放置。
6) 檢驗程式:可設定檢驗次數,於運行中置放於待檢區。
7) 成品未射出之求助:若成品無法射出,機械手可輔助發出警報並顯示於螢幕上。
8) 檢驗品定位設定:可將設定之檢驗品放置在不同的定位點上。
9) 模具中板偵測:附有中模感測偵測器,防止中模異常與機械手發生碰撞的安全系
統。(選購配件)
10) 十組標準程式記憶:使用者可快速且簡捷地使用機械手,不需預先編輯動作流
程。
11) 十組教導程式記憶:配合治具的功能,可隨心所欲的編輯所需的動作,且可永久
保存。
12) 全鍵式操作系統:直接運用於每一動作功能操作鍵。
13) 壹組預留輸入提供:本機提供壹組預留輸入;如輸送帶之電眼信號輸入。(選擇配
備)
14) 兩組預留輸出提供:本機提供兩組預留輸出;可外接剪斷,噴氣裝置或專用機信
號輸出。(選擇配備)
|
Model No.
|
Dry Cycle(Sec.)
|
I.M.M.
(Tons) |
Verical
Stroke(mm) |
Net Weight
(kgs) |
Air Consumption
(NL/Cycle) |
||
|
Take-Out
|
Cycle
|
||||||
|
YS450
|
Standard Model
|
0.6
|
3.1
|
25~150
|
450
|
33
|
9
|
|
YST450
|
With Twist
|
33.5
|
9.2
|
||||
|
YSTV450
|
With Twis & Vacuum
|
34
|
15
|
||||
|
YS550
|
Standard Model
|
0.7
|
3.2
|
60~180
|
550
|
33.5
|
10
|
|
YST550
|
With Twist
|
34
|
10.2
|
||||
|
YSTV550
|
With Twist & Vacuum
|
34.5
|
16
|
||||
|
YS650
|
Standard Model
|
0.8
|
3.4
|
120~250
|
650
|
34
|
11
|
|
YST650
|
With Twist
|
34.5
|
11.2
|
||||
|
YSTV650
|
With Twist & Vacuum
|
35
|
17
|
||||
|
YS750
|
Standard Model
|
1.0
|
3.8
|
200~350
|
750
|
34.5
|
12
|
|
YST750
|
With Twist
|
35
|
12.2
|
||||
|
YSTV750
|
with Twist & Vacuum
|
35.5
|
18
|
||||
|
YS850
|
Standard Model
|
1.2
|
4.0
|
300~450
|
850
|
35
|
13
|
|
YST850
|
With Twist
|
35.5
|
13.2
|
||||
|
YSTV850
|
With Twist & Vacuum
|
36
|
19
|
||||
|
YSxxx
|
|||||||||||||||||||||||||||||||||
|
|
|||||||||||||||||||||||||||||||||
|
|||||||||||||||||||||||||||||||||
|
|
|||||||||||||||||||||||||||||||||
|
|
|||||||||||||||||||||||||||||||||
|
YSTxxx & YSTVxxx
|
|||||||||||||||||||||||||||||||||
|
|
|||||||||||||||||||||||||||||||||
|
|||||||||||||||||||||||||||||||||
|
|
|||||||||||||||||||||||||||||||||



















科恩電氣
科恩眾和