燈泡方式SPOT型紫外線硬化裝置 Aicure UP50
具備節能模式,在照射關閉的情況下,最多可削減15%的功耗。 同時具有高精度的自整定功能。
- 基本信息
- 產品種類
- 詳細規格
- 產品尺寸
- 產品用途
- 可選件


具備節能模式,在照射關閉的情況下,最多可削減15%的功耗。
同時具有高精度的自整定功能。
|
特點
|
高能效紫外線照射 穩定的紫外線照射性能 |
便于安裝 |
高能效紫外線照射
穩定的紫外線照射性能
1. 顯著提升粘結與固定的可靠 纖細型紫外線傳感器(選購件)
紫外線傳感器用于測量照射強度,從而實現高精度自整定。
|
使用纖細型紫外線傳感器,可在實際位置對紫外線強度進行相對測量。此外,該傳感器還可自動將紫外線強度調整至當前水平。傳感器厚度僅為5mm,接近于工件,因此無需將系統從生產線上取下即可測量紫外線的強度,從而便于進行高精度設定和同軸條件優化。此外,還可對紫外線強度進行實時監測和調整,從而提升粘結與固定的可靠性。
※紫外線強度可作為相對值測量。
3. 可編程照射功能
該功能可防止硬化歪斜現象,從而實現高質量、高精度的粘結。
|
該功能可根據樹脂和硬化物的應用場合,對照射過程進行編程以控制照射功率和時間,從而盡量減小硬化收縮量,實現高質量、高精度的粘結。除了以恒定強度連續進行照射的簡單照射模式之外,還可設定最多10個圖形、每個圖形最多分為10段。這些圖形中包括強度隨時間變化的遞升模式和以指定間隔進行照射的間隔模式。
便于安裝
規格
| Aicure訂貨產品號 | ANUP50 | |
|---|---|---|
| 電源 | 90-264V AC 50/60Hz 280VA | |
| 燈泡 | 燈泡產品編號 | ANUPS204 |
| 燈泡 |
200W汞氙燈泡,預置快裝方式 ※平均壽命3000小時:與初期紫外線強度的比率 立放時80%以上,臥放時70%以上(自動控制功能OFF時) ※保證壽命2000小時 |
|
| 紫外線照射 |
紫外線自動控制 ?一定強度/一定時間照射 ?可編程的照射過程(10個圖形,每個圖形10段) ?外部信號紫外線強度控制:(4種強度切換) ?開口指定紫外線強度控制 |
|
| 遮光體 | 基于手動或定時控制操作的電子控制式遮光體 | |
| 設定 | 采用薄膜開關的數字化設定 | |
| 外部信號 | 輸入 | 打開/關閉遮光體(定時/手動)、點亮燈泡 |
| 輸出 | 點亮燈泡、穩定燈泡亮度、打開遮光體、輸出出錯信號和提示燈泡壽命 | |
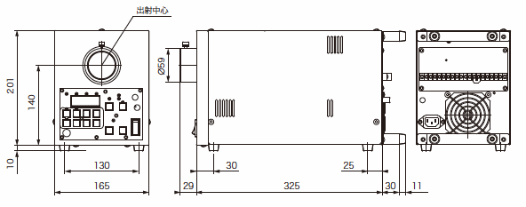
| 外形尺寸 | 165×201×325 mm(不包括突起部) | |
| 重量 | 約8kg | |
| ※ |
燈泡方式SPOT型紫外線硬化裝置 Aicure UP50-規格 |
|---|
可選件
多分支光纖組件
| 光纖束直徑3.5mm | 光纖束直徑5mm | 光纖束直徑8mm | |
|---|---|---|---|
| 1分支 | ANUP5031 | ANUP5051 | ANUP5081 |
| 2分支 | ANUP5032 | ANUP5052 | - |
| 3分支 | ANUP5033 | ANUP5053 | - |
| 4分支 | ANUP5034 | ANUP5054 | - |
照射光纖特殊品對應
如圖所示的線型紫外線照射光纖。常用為1m、如需訂購其他長度和形狀的光纖、敬請聯絡。
|
附件
| 品名 | 規格 | 訂貨產品號 |
|---|---|---|
| 鏡頭※1 | 短聚光鏡頭 | ANUP5001AS |
| 長聚光鏡頭 | ANUP5001BS | |
| 熱線遮斷濾鏡 | 反射型 | ANUP5001F |
| 護目鏡 | 紫外線護目鏡 |
|
| 燈泡 | ANUP50用 | ANUPS204 |
| 燈泡導線 | ANUP50用 | ANUPS50H2 |
| 紫外線傳感器 | 窄長型(寬5mm) | ANUJ3800 |
| 紫外線傳感器延長電纜 | 長10m | ANUJ38110 |
| 長2m | ANUJ38102 |
| ※1 | 有關φ8mm光纖組件的鏡頭,請另行垂詢本公司。 |
|---|---|
| ※2 | 2012年8月31日生產終止預定 |
兼具短聚光和長聚光功能的雙鏡頭組件
|
|
熱線遮斷濾鏡可防止照射組件溫度升高
對于熱敏工件,尤其推薦使用該濾鏡。可根據工件的類型,通過安裝熱反射濾鏡的方式,降低照射組件的溫升。
|

















科恩電氣
科恩眾和