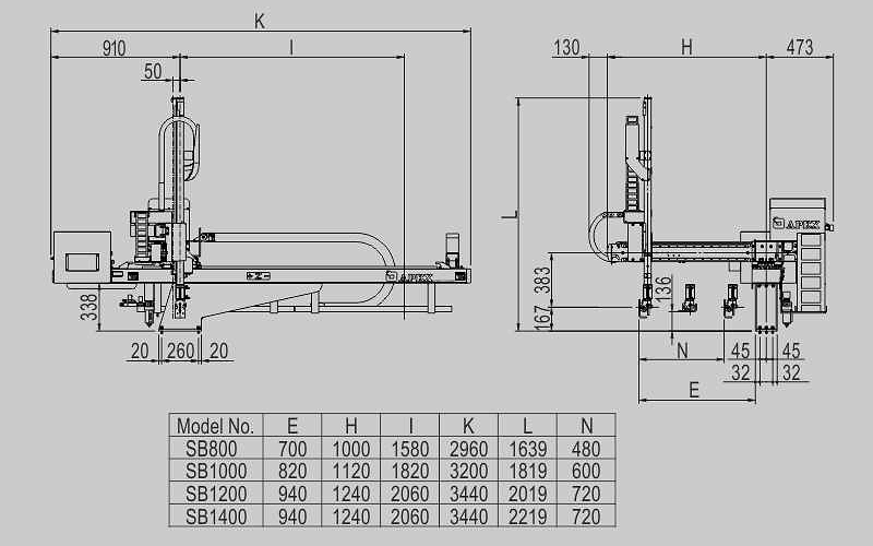
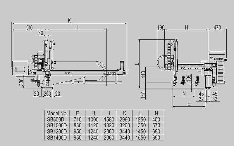
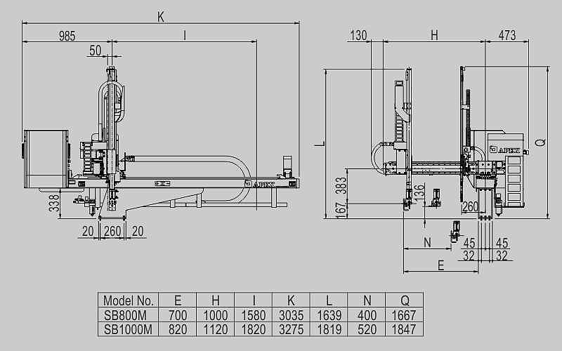
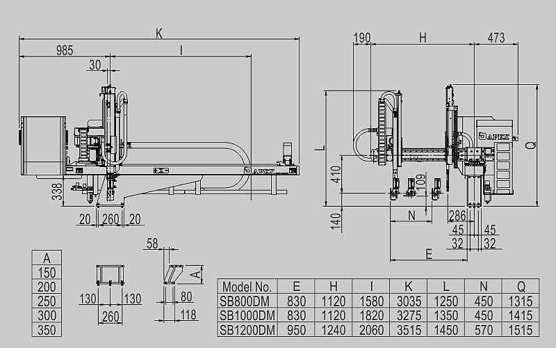
3/5軸伺服驅動CNC機器人(機械手)-SB系列SB800DM
3/5軸伺服驅動CNC機器人:3/5軸可同動的CNC控制方式,使取出速度倍數提昇,大幅提高射出機的生產效能。超越傳統取出機的定位精度在+/-0.1mm以內,完美的運動重現性與靈活操控性。沒有傳統氣壓機構零組件的笨重與複雜性,不但可增長結構使用壽命,更可降低維修時間與成本。完全由手控器數位化調...
- 產品特點
- 詳細規格
- 產品尺寸
備有12個預留輸出與14個留輸入的接點,可外接各種週邊設備規劃出各種有效的系統
自動化工程。
成品取出:
1) 可擬人化取出,進行較高難度的取出作動,如: 雙倒勾、曲線、連續路徑的取出。
2) 簡化治具難度與製作成本。
排列堆疊:
可進行型外九種成品取出置放(排列加堆疊)與100點的任意置放成品。
埋入功能:
可規劃九種不同形狀物件進行模內埋入功能。
外接二次作業系統:
如輸送帶、包裝箱、剪斷裝置、電子秤、自動倉儲、震動給料系統。
多樣化的品檢功能:
1) 不良品選別:當接到射出機的不良品訊號時,可設定將不良品取出後另行置放於
指定區域。
2) 抽樣品檢:可於程式中將抽檢的成品置放於待檢區(如100模抽樣1模)
3) 外接計量品檢器:如配合精密電子秤,可將成品取出後,先行置放於計量器上,
以每一模的成品重量數值輸出來判別良品或不良品,若為不良品則放不良品區。
4) 計數功能:成品計數設定在標準設定的生產數量中,任何不良品不會列入成品的
計數。
|
Model NO.
|
Dry Cycle (sec)
|
Stroke(mm)
|
Max. Payload (kgs) |
Net Weight (kgs) |
Operating. Air Pressure |
|||||||
|
Crosswise
|
Vertical
|
Traverse
|
||||||||||
|
Take-Out
|
Cycle
|
Main
|
Sub
|
Main
|
Sub
|
Main
|
Sub
|
|||||
|
SB800
|
Single-stage & Single-Arm
|
1,2
|
9
|
480
|
-
|
800
|
-
|
1580
|
8
|
-
|
260
|
5 kg/cm 2
|
|
SB800D
|
Telescopic & Single-Arm
|
450
|
-
|
-
|
-
|
280
|
||||||
|
SB800M
|
Single-stage & Double-Arm
|
1,2
|
9
|
400
|
400
|
800
|
850
|
1580
|
8
|
3
|
270
|
|
|
SB800DM
|
Telescopic & Double-Arm
|
450
|
450
|
850
|
3
|
290
|
||||||
|
SB1000
|
Single-stage & Single-Arm
|
1,3
|
10
|
600
|
-
|
1000
|
-
|
1820
|
8
|
-
|
265
|
|
|
SB1000D
|
Telescopic & Single-Arm
|
570
|
-
|
-
|
-
|
290
|
||||||
|
SB1000M
|
Single-stage & Double-Arm
|
1,3
|
10
|
520
|
520
|
1000
|
1050
|
1820
|
8
|
3
|
265
|
|
|
SB1000DM
|
Telescopic & Double-Arm
|
450
|
450
|
1050
|
3
|
290
|
||||||
|
SB1200
|
Single-stage & Single-Arm
|
1,4
|
11
|
720
|
-
|
1200
|
-
|
2060
|
8
|
-
|
270
|
|
|
SB1200D
|
Telescopic & Single-Arm
|
690
|
-
|
-
|
-
|
295
|
||||||
|
SB1200DM
|
Single-stage & Double-Arm
|
1,4
|
11
|
570
|
570
|
1200
|
1250
|
2060
|
8
|
3
|
310
|
|
|
SB1400
|
Single-stage & Single-Arm
|
1,6
|
12
|
720
|
-
|
1400
|
-
|
2060
|
8
|
-
|
320
|
|
|
SB1400D
|
Telescopic & Single-Arm
|
690
|
-
|
-
|
-
|
|||||||





















科恩電氣
科恩眾和