HC繼電器 密封型
種類豐富、用途廣泛的HC繼電器密封型。
編 號:101569200
型 號:HC系列
品 牌:Panasonic(松下電工)
貨 期:現貨
服 務:由科恩電氣發貨并提供售后服務
瀏 覽:次
- 基本信息
- 產品種類
- 詳細規格
- 產品尺寸
- 產品用途
- 可選件
特點
1.在惡劣的環境中,即使放置較長的時間,也能保證穩定的接觸電阻值。
2.小型、在國際范圍內具有兼容性。
3.豐富的品種。
標準品……1c、2c、4c、雙4極、插入型、印刷板型、TM型。
4.帶LED顯示。
5.已獲得UL、CAS標準的認證。并以電氣用品安全法為標準。
6.配有插座、端子臺
用途
1.可用于外部環境惡劣的場所
紡織工廠、制粉工廠、化學工廠以及信號機等
2.尤其是在對機器可靠性要求比較高的場所
安全裝置、警報設備、復印機、通信機器以 及計算機等
線圈規格
與HC繼電器標準品相同。請瀏覽HC繼電器標準品。
性能概要
| 規格 | 項目 | 性能概要 | |||
|---|---|---|---|---|---|
| 1c | 2c | 4c | 4極雙芯 | ||
| 觸點規格 | 觸點構成 | 1c | 2c | 4c | 4c |
| 額定 | 額定控制容量(電阻負載) | 5A 250V AC | 3A 250V AC | 2A 250V AC | 1A 250V AC |
| 觸點最大允許功率(電阻負載) | 1,250VA | 700VA | 500VA | 250VA | |
| 觸點最大允許電壓 | 250V AC | 250V AC | 250V AC | 250V AC | |
| 觸點最大允許電流 | 5A | 3A | 2A | 1A | |
| 最小適用負載 ※1 | 1mA 100mV DC | 100μA 100mV DC | |||
| 電氣性能 | 線圈溫度上升值(at60℃) | 90℃以下(電阻法、在額定操作電壓下) | |||
| 壽命 | 電氣壽命 | 20萬次以上額定負載(通斷頻率20次/分鐘) | |||
| 使用條件 | 使用的環境、運輸、保管條件 ※2 | 溫度:?40℃~+60℃、濕度:5~85%RH (應無結冰、凝露) | |||
| 使用環境氣壓 | 760mmHg±20%(1,013mb±20%) | ||||
| ※ | 有關其他的性能與HC繼電器標準品相同。請瀏覽HC繼電器標準品。 |
|---|
| ※1 | 在微小負載水平下能夠通斷的下限目標值。該值有時會根據通斷頻率、環境條件、所期待的可靠水準發生改變,因此在使用時,推薦在實際負載下進行確認。 |
|---|---|
| ※2 | 使用環境溫度的上限值是指可滿足線圈溫度上升值的最高溫度。請瀏覽繼電器使用注意事項[6]周圍環境中的內容。 |
| ※ | 在電氣用品安全法中,4c型不能在超過AC 150V的電壓下使用。詳細內容請咨詢。 |
|---|
控制容量和壽命
1.電氣壽命(通斷頻率20次/分鐘)
| 負載 | 交流電阻 | 直流電阻 | 壽命 | ||||
|---|---|---|---|---|---|---|---|
| 電阻負載(cosΦ=1) | 感性負載(cosΦ≒0.4) | 電阻負載 | 感性負載 | ||||
| 電壓 | 125V AC | 250V AC | 125V AC | 250V AC | 30V DC | 30V DC | |
| HC1E | 5A | 5A | — | — | 3A | 1A | 20萬次以上 |
| HC2E | 3A | 3A | — | — | 2A | 1.7A | 20萬次以上 |
| HC4E | 2A | 2A | — | — | 2A | 0.6A | 20萬次以上 |
| HC4ED(4極雙芯) | 1A | 1A | — | — | — | — | 20萬次以上 |
2.機械壽命(通斷頻率180次/分鐘)
AC線圈型:5,000萬次以上、DC線圈型:1億次以上
與HC繼電器標準品相同。
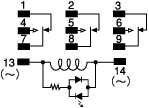
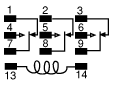
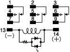
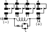
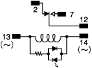
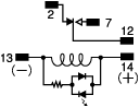
1.插入型
1c
|
|
|
|
|
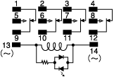
2c
|
|
|
|
|
3c
|
|
|
|
|
4c、4極雙芯
|
|
|
|
|
HC繼電器連接部件(插座?端子臺)
※全部可選件均通過RoHS認證
|
HC繼電器(插入型)用備有豐富的連接產品。
品種
HC繼電器插座
下圖中用●符號來表示適合的插座 和HC繼電器。
- 1.HC繼電器插座備有插入型、印刷板 型以及線束用長端子型。
- 2.已獲得UL/CSA標準的認證。
- 3.包裝中附帶固定金屬件。
|
插座品種選型表
| 類型 | 極數 | 產品名稱 | 型號 | 訂貨產品號 | 適用于HC繼電器(插入型) | ||||||||
|---|---|---|---|---|---|---|---|---|---|---|---|---|---|
| HC繼電器(標準品) HC繼電器二極管內置型(DC用) | HC繼電器密封型 | ||||||||||||
| 1c | 2c | 3c | 4c | 4極雙芯 | 1c | 2c | 4c | 4極雙芯 | |||||
| 插入型 | 1極用 | HC1-插座 | HC1-SS-K | AP3814K | ● | ● | |||||||
| 2極用 | HC2-插座 | HC2-SS-K | AP3824K | ● | ● | ||||||||
| 3極用 | HC3-插座 | HC3-SS-K | AP3834K | ● | ● | ● | |||||||
| 1?2?4極兼用 | HC4-插座 | HC4-SS-K | AP3844K | ▲ ※1 | ▲ ※1 | ● | ● | ● | ● | ● | ● | ||
| 印刷板用 | 1極用 | HC1-印刷板用插座 | HC1-PS-K | AP3815K | ● | ● | |||||||
| 2極用 | HC2-印刷板用插座 | HC2-PS-K | AP3825K | ● | ● | ||||||||
| 3極用 | HC3-印刷板用插座 | HC3-PS-K | AP3835K | ● | ● | ● | |||||||
| 1?2?4極兼用 | HC4-印刷板用插座 | HC4-PS-K | AP3845K | ▲ ※1 | ▲ ※1 | ● | ● | ● | ● | ● | ● | ||
| 線束用 | 1?2?4極兼用 | HC4-線束用插座 | HC4-WS-K | AP3846K | ▲ ※1 | ▲ ※1 | ● | ● | ● | ● | ● | ● | |
| HC4-線束用插座(帶止動彈) | HC4—WS | AP384603 | ▲ ※1 | ▲ ※1 | ● | ● | ● | ● | ● | ● | |||
| 注1) | 使用與插座一起包裝的固定金屬件。(CR回路內置型的保持模具,和繼電器在同一包裝內。) |
|---|---|
| 注2) | 已獲得UL、CSA標準的認證。(線束用長端子插座除外) |
| ※1 | 請將最大連續通電電流控制在5A以內。 |
HC繼電器端子臺
下圖中用●符號來表示適合的端子臺和HC繼電器。
- 1.有DIN導軌用端子臺和一般用端子臺。
- 2.已獲得UL/CSA標準的認證
- 3.包裝中附帶固定金屬件。
|
|
端子臺品種選型表(HC繼電器端子臺)
| 類型 | 極數 | 產品名稱 | 型號 | 訂貨產品號 | 包裝數量 | 適用于HC繼電器(插入型) | |||||||||
|---|---|---|---|---|---|---|---|---|---|---|---|---|---|---|---|
| HC繼電器(標準品) HC繼電器二極管內置型(DC用) | HC繼電器密封型 | ||||||||||||||
| 內箱 | 外箱 | 1c | 2c | 3c | 4c | 4極兼用 | 1c | 2c | 4c | 4極兼用 | |||||
| DIN端子臺 | 2極用 | HC2-窄長型 DIN端子臺 | HC2-SFD-S | AP3821 | 20個 | 100個 | ● | ● | |||||||
| 3極用 | HC3-DIN | HC3-SFD-K | AP3837K | 5個 | 50個 | ● | ● | ● | |||||||
| 1?2?4極兼用 | HC立式端子臺 | HC4-TSF-K | AP3848K | 20個 | 200個 | ▲ ※1 | ● | ● | ● | ● | ● | ● | ● | ||
| 一般用 | 2極用 | HC2-端子臺 | HC2-SF-K | AP3822K | 10個 | 100個 | ● | ● | |||||||
| 3極用 | HC3-高腳端子臺 | HC3-HSF-K | AP3832K | 5個 | 50個 | ● | ● | ● | |||||||
| 1?2?4極兼用 | HC-高腳端子臺 | HC4-HSF-K | AP3882K | 5個 | 50個 | ▲ ※1 | ● | ● | ● | ● | ● | ● | ● | ||
| 注1) | 使用與插座一同包裝的固定金屬件。(CR回路內置型的固定金屬件與繼電器是在同一包裝內。) |
|---|---|
| 注2) | 已獲得UL、CSA標準的認證。(AP3848K除外) |
| 注3) | 為防止損壞、變形,用于端子臺的螺釘鎖緊扭矩應在0.49~0.69N?m{5~7kgf?cm}范圍內。 |
| ※1 | 請將最大連續通電電流控制在7A以內。 |
端子臺品種選型表(HJ繼電器端子臺)
| 類型 | 極數 | 產品名稱 | 型號 | 訂貨產品號 | 包裝數量 | 適用于HC繼電器(插入型) | |||||||
|---|---|---|---|---|---|---|---|---|---|---|---|---|---|
|
HC繼電器(標準品) HC繼電器二極管內置型(DC用) |
HC繼電器密封型 | ||||||||||||
| 內箱 | 外箱 | 2c | 4c | 4極雙芯 | 2c | 4c | 4極雙芯 | ||||||
| DIN端子臺 |
2極 用 |
HJ2 端子臺 |
HJ2-SFD | AHJ3821 | 10個 | 100個 | ● | ● | |||||
|
HJ2 端子臺 (夾手保護型) |
HJ2-SFD-S | AHJ38211 | ● | ● | |||||||||
|
1?2? 4極 兼用 |
HJ4 端子臺 |
HJ4-SFD | AHJ3848 | ▲ ※1 | ● | ● | ● | ● | ● | ||||
|
HJ4 端子臺 (夾手保護型) |
HJ4-SFD-S | AHJ38481 | ▲ ※1 | ● | ● | ● | ● | ● | |||||
| 注) | 在AHJ3848/AHJ38481以及1C·2C極兼用的插座·端子臺中使用時,請將端子臺最大連續通電電流控制在5A以內。 |
|---|---|
| ※1 | 請將最大連續通電電流控制在5A以內。 |
額定
性能概要(插座)
|
規格→ 項目↓ |
性能概要 | ||||||||
|---|---|---|---|---|---|---|---|---|---|
| 種類 |
插入型插座 (HC1) |
印刷板用插座 (HC1) |
插入式插座 (HC2) |
印刷板用插座 (HC2) |
插入式插座 (HC3) |
印刷板用插座 (HC3) |
插入式插座 (HC4) |
印刷板用插座 (HC4) |
|
| 接點構成 | 1c(1極用) | 2c(2極用) | 3c(2?3極兼用) | 4c(1?2?4極兼用) | |||||
|
最大連續通電電流 (使用環境溫度: -50℃~+70℃) |
10A | 10A | 7A | 7A | 7A | 7A | 5A | 5A | |
|
耐電壓 (初期) |
觸點間 | 各端子AC2,000V 1分鐘(檢測電流:10mA) | |||||||
| 不同極觸點之間 | |||||||||
| 觸點-線圈之間 | |||||||||
| 絕緣電阻(初期) | 各端子100MΩ(DC500V) | ||||||||
注) 在1?2?4極兼用的4c插座,使用1極?2極的HC繼電器(額定10A,7A)的時候,請使用最大連續通電電流不超過5A。
■ 性能概要(端子臺)
|
規格→ 項目↓ |
性能概要 | ||||||
|---|---|---|---|---|---|---|---|
| 型號 |
DIN端子臺 (HC2窄長型) |
一般端子臺 (HC2) |
DIN端子臺 (HC3) |
一般端子臺 (HC3高腳) |
DIN立式端子臺 (HC4) |
一般端子臺 (HC4高腳) |
|
| 觸點構成 | 2c(2極用) | 3c(2?3極兼用) | 4c(1?2?4極兼用) | ||||
|
最大連續通電電流 (使用環境溫度: -50℃~+70℃) |
7A | 7A | 7A | 7A | 7A | 7A | |
|
耐電壓 (初期) |
觸點間 | 各端子AC2,000V 1分鐘(檢測電流:10mA) | |||||
| 不同極觸點之間 | |||||||
| 觸點-線圈之間 | |||||||
| 絕緣電阻(初期) | 各端子100MΩ(DC500V) | ||||||
注) 在1?2?4極兼用的4c插座,使用1極?2極的HC繼電器(額定10A,7A)的時候,請使用最大連續通電電流不超過5A。





















科恩電氣
科恩眾和