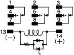
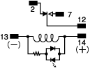
HC繼電器 二極管內置型(DC用)
用于吸收線圈OFF時的浪涌的二極管內置型。 最適于在半導體電路中使用。
編 號:101569199
型 號:HC系列
品 牌:Panasonic(松下電工)
貨 期:現貨
服 務:由科恩電氣發貨并提供售后服務
瀏 覽:次
- 基本信息
- 產品種類
- 詳細規格
- 產品尺寸
- 產品用途
- 可選件
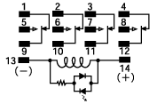
廣泛的品種構成1c/2c/3c/4c 1A~10A控制盤用繼電器
|
|
|
|
|
UL 、CSA 、VDE 、TV 已取得。
3c和4c雙觸點尚未取得VDE。
保護構造:防塵罩型、琥珀密封型
特點
1.性能穩定,品質優良。
2.可以在微小電流到電源(100μA~10A)間進行通斷。
3.品種豐富齊全。
標準品?1c、2c、3c、4c、4極雙芯、插入型、印刷板型、TM型。
4.帶LED顯示。
5.已獲得UL、CAS標準的認證。并以電氣用品安全法為標準。
6.備有插座、端子臺。
用途
最適用FA設備、自動化設備。
1.控制盤、電源設備、成型機、加工設備、焊接設備、農業機械等
2.商務用機器、自動販賣機、通信設備、 防災設備、復印機、測量儀器、醫療設備、娛樂機器等
3.各種家用電器
線圈規格
1.交流用(50Hz、60Hz)
| 類型 | 線圈電壓 | 吸合電壓 (at20℃) | 釋放電壓 (at20℃) | 額定動作電流 〔±20%〕 (at20℃) | 線圈電感系數 | 額定消耗功率最 | 最大允許施加電壓 (at70℃) | |||
|---|---|---|---|---|---|---|---|---|---|---|
| 50Hz | 60Hz | 銜鐵關閉狀態 | 銜鐵打開狀態 | 50Hz | 60Hz | |||||
| 標準品 | AC6V | 額定電壓的80%V以下 (初始) | 額定電壓的30%V以上 (初始) | 224mA | 200mA | 0.078H | 0.074H | 1.3VA | 1.2VA | 額定電壓的110%V |
| AC12V | 111mA | 100mA | 0.312H | 0.295H | ||||||
| AC24V | 56mA | 50mA | 1.243H | 1.181H | ||||||
| AC48V | 28mA | 25mA | 4.974H | 4.145H | ||||||
| AC100/110V | 13.4/14.7mA | 12/13.2mA | 23.75H | 20.63H | ||||||
| AC110/120V | 12.2/13.5mA | 10.9/11.9mA | 27.19H | 25.57H | ||||||
| AC200/220V | 6.7/7.4mA | 6/6.6mA | 85.98H | 81.76H | ||||||
| ※1 |
繼電器在額定電壓的80~110%V范圍內工作,由于考慮到電壓臨時波動,所以需在額定電壓下工作。 特別是在AC用時,如果施加電壓下降到80%V或額定電壓下限很多時,將會發出蜂鳴聲,并將有大電流流過,線圈可能燒毀。 |
|---|---|
| ※2 | 最大允許施加電壓為線圈電源供應的最大電壓波動值,不可以在該值下連續工作(該值根據環境溫度而變化,詳細資料請聯系我們) |
2.直流用
| 類型 | 線圈電壓 | 吸合電壓 (at20℃) | 釋放電壓 (at20℃) | 額定動作電流 〔±10%〕(at20℃) | 線圈電阻 〔±10%〕(at20℃) | 額定消耗功率 | 最大允許施加電壓 (at70℃) |
|---|---|---|---|---|---|---|---|
| 標準品 | DC6V | 額定電壓的80%V以下 (初始) | 額定電壓的10%V以上 (初始) | 150mA | 40Ω | 0.9W | 額定電壓的110%V |
| DC12V | 75mA | 160Ω | |||||
| DC24V | 37mA | 650Ω | |||||
| DC48V | 18.5mA | 2,600Ω | |||||
| DC100/110V | 10/11mA | 10,000Ω | 1.0W |
| ※1 | DC用的線圈電阻是指線圈溫度在20℃時的值。每變化±1℃,請執行±0.4%的修正。 |
|---|---|
| ※2 | 繼電器在額定電壓的80~110%V范圍內工作,由于考慮到電壓臨時波動,所以需在額定電壓下工作。 |
| ※3 | 在DC 200V中使用的情況下,請在DC 100V中串聯一個10KΩ、5W的電阻。 |
| ※4 | 最大允許施加電壓為線圈電源供應的最大電壓波動值,不可以在該值下連續工作(該值根據環境溫度而變化,詳細資料請聯系我們) |
性能概要
| 規格 | 項目 | 性能概要 | |||||
|---|---|---|---|---|---|---|---|
| 觸點規格 | 觸點構成 | 1c | 2c | 3c | 4c | 4極雙芯 | |
| 觸點接觸電阻(初始) | 30mΩ以下(通過DC 6V 1A電壓下降法) | ||||||
| 觸點材料 | Ag alloy (cd free) + Au flash | AgNi type + Au clad | |||||
| 額定 | 額定控制容量(電阻負載) | 10A 250V AC | 7A 250V AC | 7A 250V AC | 5A 250V AC | 3A 250V AC | |
| 觸點最大允許功率(電阻負載) | 2,500VA | 1,750VA | 1,750VA | 1,250VA | 750VA | ||
| 觸點最大允許電壓 | 250V AC | ||||||
| 觸點最大允許電流 | 10A | 7A | 7A | 5A | 3A | ||
| 額定消耗功率 | AC(50Hz):1.3VA、AC(60Hz):1.2VA、DC:0.9~1.1W | ||||||
| 最小適用負載(參考值)※1 | 1mA 1V DC | 100μA 1V DC | |||||
| 電氣性能 | 絕緣電阻(初始) | 1,000MΩ以上(通過DC 500V絕緣電阻測量) | |||||
| 耐電壓 (初始) | 觸點間 | AC700V 1分鐘(檢測電流:10mA) | |||||
| 異極觸點相互間 | AC700V 1分鐘(檢測電流:10mA) | ||||||
| 觸點與線圈間 | AC2,000V 1分鐘(檢測電流:10mA) | ||||||
| 線圈溫度上升值 (at70℃) | 80℃以下(電阻法、在額定操作電壓下) | ||||||
| 動作時間(at20℃) ※2 | 20ms以下 (施加額定工作電壓后,不含觸點彈跳) | ||||||
| 復位時間(at20℃) ※2 | 20ms以下 (施加額定工作電壓后,不含觸點彈跳、無二極管) | ||||||
| 機械性能 | 耐沖擊性 | 誤動作沖擊 | 196m/s2以上{20G以上}(正弦半波脈沖:11ms、檢測時間:10μs) | ||||
| 耐久沖擊 | 980m/s2以上{100G以上}(正弦半波脈沖:6ms) | ||||||
| 耐振性 | 誤動作振動 | 10~55Hz(雙向振幅1mm)(檢測時間:10μs) | |||||
| 耐久沖擊 | 10~55Hz(雙向振幅2mm) | ||||||
| 壽命 | 機械壽命 | AC線圈型:1,000萬次以上(通斷頻率180次/分鐘)、DC線圈型:1億次以上(通斷頻率180次/分鐘) | |||||
| 電氣壽命 | 20萬次以上額定負載(通斷頻率20次/分鐘) | 20萬次以上額定負載(通斷頻率20次/分鐘) | 10萬次以上額定負載(通斷頻率20次/分鐘) | 20萬次以上額定負載(通斷頻率20次/分鐘) | 20萬次以上額定負載(通斷頻率20次/分鐘) | ||
| 使用條件 | 使用的環境、運輸、保管條件 ※3 | 溫度:無LED顯示 : -50℃~+70℃、帶LED顯示:-50℃~+60℃ 濕度:5~85%RH(應無結冰、凝露) | |||||
| 最大操作頻率 | 20次/分鐘(最大負載) | ||||||
| 重量 | 約30g | ||||||
| ※ | 在電氣用品安全法中,4c型不能在超過AC 150V的電壓下使用。詳細內容請咨詢。 |
|---|---|
| ※1 | 在微小負載水平下能夠通斷的下限目標值。該值有時會根據通斷頻率、環境條件、所期待的可靠水準發生改變,因此在使用時,推薦在實際負載下進行確認。 |
| ※2 | 對于AC型,由于相位不同,其動作、復位時間也不同。 |
| ※3 | 使用環境溫度的上限值是指可滿足線圈溫度上升值的最高溫度。請瀏覽繼電器使用注意事項[6]周圍環境中的內容。 |
| ※4 | 使用插座·端子臺時,請務必確認最大連續通電電流。 |
控制容量和壽命
1.電氣壽命(通斷頻率20次/分鐘)
| 負載 | 交流電阻 | 直流電阻 | 壽命 | ||||
|---|---|---|---|---|---|---|---|
| 電阻負載(cosΦ=1) | 感性負載(cosΦ≒0.4) | 電阻負載 | 感性負載壽 | ||||
| 電壓 | 125V AC | 250V AC | 125V AC | 250V AC | 30V DC | 30V DC | |
| 1c | 10A | 10A | 5A | 3A | — | — | 20萬次以上 |
| 7A | 7A | 3A | 2.5A | 3A | 1A | 50萬次以上 | |
| 5A | 5A | 2A | 1.5A | — | — | 100萬次以上 | |
| 2c | 7A | 7A | 3.5A | 2A | — | — | 20萬次以上 |
| 5A | 5A | 2.5A | 1.5A | 3A | 0.6A | 50萬次以上 | |
| 3A | 3A | 1.5A | 1A | — | — | 100萬次以上 | |
| 3c | 7A | 7A | — | — | — | — | 10萬次以上 |
| — | — | 3.5A | 2A | — | — | 20萬次以上 | |
| 5A | 5A | — | — | 3A | 0.4A | 50萬次以上 | |
| 4c | 5A | 5A | 2A | 1A | — | — | 20萬次以上 |
| 3A | 3A | 1A | 0.8A | 3A | 0.4A | 50萬次以上 | |
| 2A | 2A | 0.5A | 0.4A | — | — | 100萬次以上 | |
| 4極雙芯 | 3A | 3A | 1A | 0.8A | 3A | — | 20萬次以上 |
2.機械壽命(通斷頻率180次/分鐘)
AC線圈型:5,000萬次以上、DC線圈型:1億次以上
1.插入型
1c
|
|
|
|
|
2c
|
|
|
|
|
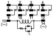
3c
|
|
|
|
|
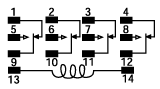
4c、4極雙芯
|
|
|
|
|
HC繼電器連接部件(插座?端子臺)
※全部可選件通過RoHS認證
|
品種 HC繼電器(插入型)用備有豐富的連接產品。
HC繼電器插座
下圖中用●符號來表示適合的插座 和HC繼電器。
- 1.HC繼電器插座備有插入型、印刷板 型以及線束用長端子型。
- 2.已獲得UL/CSA標準的認證。
- 3.包裝中附帶固定金屬件。
|
插座品種選型表
| 類型 | 極數 | 產品名稱 | 型號 | 訂貨產品號 | 適用于HC繼電器(插入型) | ||||||||
|---|---|---|---|---|---|---|---|---|---|---|---|---|---|
| HC繼電器(標準品) HC繼電器二極管內置型(DC用) | HC繼電器密封型 | ||||||||||||
| 1c | 2c | 3c | 4c | 4極雙芯 | 1c | 2c | 4c | 4極雙芯 | |||||
| 插入型 | 1極用 | HC1-插座 | HC1-SS-K | AP3814K | ● | ● | |||||||
| 2極用 | HC2-插座 | HC2-SS-K | AP3824K | ● | ● | ||||||||
| 3極用 | HC3-插座 | HC3-SS-K | AP3834K | ● | ● | ● | |||||||
| 1?2?4極兼用 | HC4-插座 | HC4-SS-K | AP3844K | ▲ ※1 | ▲ ※1 | ● | ● | ● | ● | ● | ● | ||
| 印刷板用 | 1極用 | HC1-印刷板用插座 | HC1-PS-K | AP3815K | ● | ● | |||||||
| 2極用 | HC2-印刷板用插座 | HC2-PS-K | AP3825K | ● | ● | ||||||||
| 3極用 | HC3-印刷板用插座 | HC3-PS-K | AP3835K | ● | ● | ● | |||||||
| 1?2?4極兼用 | HC4-印刷板用插座 | HC4-PS-K | AP3845K | ▲ ※1 | ▲ ※1 | ● | ● | ● | ● | ● | ● | ||
| 線束用 | 1?2?4極兼用 | HC4-線束用插座 | HC4-WS-K | AP3846K | ▲ ※1 | ▲ ※1 | ● | ● | ● | ● | ● | ● | |
| HC4-線束用插座(帶止動彈) | HC4—WS | AP384603 | ▲ ※1 | ▲ ※1 | ● | ● | ● | ● | ● | ● | |||
| 注1) | 使用與插座一起包裝的固定金屬件。(CR回路內置型的保持模具,和繼電器在同一包裝內。) |
|---|---|
| 注2) | 已獲得UL、CSA標準的認證。(線束用長端子插座除外) |
| ※1 | 請將最大連續通電電流控制在5A以內。 |
HC繼電器端子臺
下圖中用●符號來表示適合的端子臺和HC繼電器。
- 1.有DIN導軌用端子臺和一般用端子臺。
- 2.已獲得UL/CSA標準的認證
- 3.包裝中附帶固定金屬件。
|
|
端子臺品種選型表(HC繼電器端子臺)
| 類型 | 極數 | 產品名稱 | 型號 | 訂貨產品號 | 包裝數量 | 適用于HC繼電器(插入型) | |||||||||
|---|---|---|---|---|---|---|---|---|---|---|---|---|---|---|---|
| HC繼電器(標準品) HC繼電器二極管內置型(DC用) | HC繼電器密封型 | ||||||||||||||
| 內箱 | 外箱 | 1c | 2c | 3c | 4c | 4極兼用 | 1c | 2c | 4c | 4極兼用 | |||||
| DIN端子臺 | 2極用 | HC2-窄長型 DIN端子臺 | HC2-SFD-S | AP3821 | 20個 | 100個 | ● | ● | |||||||
| 3極用 | HC3-DIN | HC3-SFD-K | AP3837K | 5個 | 50個 | ● | ● | ● | |||||||
| 1?2?4極兼用 | HC立式端子臺 | HC4-TSF-K | AP3848K | 20個 | 200個 | ▲ ※1 | ● | ● | ● | ● | ● | ● | ● | ||
| 一般用 | 2極用 | HC2-端子臺 | HC2-SF-K | AP3822K | 10個 | 100個 | ● | ● | |||||||
| 3極用 | HC3-高腳端子臺 | HC3-HSF-K | AP3832K | 5個 | 50個 | ● | ● | ● | |||||||
| 1?2?4極兼用 | HC-高腳端子臺 | HC4-HSF-K | AP3882K | 5個 | 50個 | ▲ ※1 | ● | ● | ● | ● | ● | ● | ● | ||
| 注1) | 使用與插座一同包裝的固定金屬件。(CR回路內置型的固定金屬件與繼電器是在同一包裝內。) |
|---|---|
| 注2) | 已獲得UL、CSA標準的認證。(AP3848K除外) |
| 注3) | 為防止損壞、變形,用于端子臺的螺釘鎖緊扭矩應在0.49~0.69N?m{5~7kgf?cm}范圍內。 |
| ※1 | 請將最大連續通電電流控制在7A以內。 |
端子臺品種選型表(HJ繼電器端子臺)
| 類型 | 極數 | 產品名稱 | 型號 | 訂貨產品號 | 包裝數量 | 適用于HC繼電器(插入型) | |||||||
|---|---|---|---|---|---|---|---|---|---|---|---|---|---|
|
HC繼電器(標準品) HC繼電器二極管內置型(DC用) |
HC繼電器密封型 | ||||||||||||
| 內箱 | 外箱 | 2c | 4c | 4極雙芯 | 2c | 4c | 4極雙芯 | ||||||
| DIN端子臺 |
2極 用 |
HJ2 端子臺 |
HJ2-SFD | AHJ3821 | 10個 | 100個 | ● | ● | |||||
|
HJ2 端子臺 (夾手保護型) |
HJ2-SFD-S | AHJ38211 | ● | ● | |||||||||
|
1?2? 4極 兼用 |
HJ4 端子臺 |
HJ4-SFD | AHJ3848 | ▲ ※1 | ● | ● | ● | ● | ● | ||||
|
HJ4 端子臺 (夾手保護型) |
HJ4-SFD-S | AHJ38481 | ▲ ※1 | ● | ● | ● | ● | ● | |||||
| 注) | 在AHJ3848/AHJ38481以及1C·2C極兼用的插座·端子臺中使用時,請將端子臺最大連續通電電流控制在5A以內。 |
|---|---|
| ※1 | 請將最大連續通電電流控制在5A以內。 |
額定
性能概要(插座)
|
規格→ 項目↓ |
性能概要 | ||||||||
|---|---|---|---|---|---|---|---|---|---|
| 種類 |
插入型插座 (HC1) |
印刷板用插座 (HC1) |
插入式插座 (HC2) |
印刷板用插座 (HC2) |
插入式插座 (HC3) |
印刷板用插座 (HC3) |
插入式插座 (HC4) |
印刷板用插座 (HC4) |
|
| 接點構成 | 1c(1極用) | 2c(2極用) | 3c(2?3極兼用) | 4c(1?2?4極兼用) | |||||
|
最大連續通電電流 (使用環境溫度: -50℃~+70℃) |
10A | 10A | 7A | 7A | 7A | 7A | 5A | 5A | |
|
耐電壓 (初期) |
觸點間 | 各端子AC2,000V 1分鐘(檢測電流:10mA) | |||||||
| 不同極觸點之間 | |||||||||
| 觸點-線圈之間 | |||||||||
| 絕緣電阻(初期) | 各端子100MΩ(DC500V) | ||||||||
注) 在1?2?4極兼用的4c插座,使用1極?2極的HC繼電器(額定10A,7A)的時候,請使用最大連續通電電流不超過5A。
■ 性能概要(端子臺)
|
規格→ 項目↓ |
性能概要 | ||||||
|---|---|---|---|---|---|---|---|
| 型號 |
DIN端子臺 (HC2窄長型) |
一般端子臺 (HC2) |
DIN端子臺 (HC3) |
一般端子臺 (HC3高腳) |
DIN立式端子臺 (HC4) |
一般端子臺 (HC4高腳) |
|
| 觸點構成 | 2c(2極用) | 3c(2?3極兼用) | 4c(1?2?4極兼用) | ||||
|
最大連續通電電流 (使用環境溫度: -50℃~+70℃) |
7A | 7A | 7A | 7A | 7A | 7A | |
|
耐電壓 (初期) |
觸點間 | 各端子AC2,000V 1分鐘(檢測電流:10mA) | |||||
| 不同極觸點之間 | |||||||
| 觸點-線圈之間 | |||||||
| 絕緣電阻(初期) | 各端子100MΩ(DC500V) | ||||||
注) 在1?2?4極兼用的4c插座,使用1極?2極的HC繼電器(額定10A,7A)的時候,請使用最大連續通電電流不超過5A。



















科恩電氣
科恩眾和