4點單元繼電器/4點終端 (PhotoMOS功率型)
實現了細長、省空間的4點輸出。配置半導體繼電器,維護自由。
編 號:101569197
型 號:RT系列
品 牌:Panasonic(松下電工)
貨 期:現貨
服 務:由科恩電氣發貨并提供售后服務
瀏 覽:次
- 基本信息
- 產品種類
- 詳細規格
- 產品尺寸
- 產品用途
- 可選件
Slim, Space-saving 4-point Unit Relay
|
|
Not currently certified by any standards
Features
1.Space-saving type with four independent points on a base measuring 33 × 67 mm 1.299 × 2.638 inch. Contributes to a more compact control panel.
2.PhotoMOS Power type, for high reliability and long life, are installed.
This type is equipped with PhotoMOS Power type which have a reputation for high reliability and long life. Helps make devices maintenance-free.
3.Can be mounted on a DIN rail or mounted directly (by screws).
4.Equipped with an LED display to allow easy confirmation of operation.
5.Possible to select relay for use in the 4-point terminal in accordance with load.
Part Number
RT-3 Unit relay
| Contact arrangement | Type | Rated Input voltage | Part No. |
|---|---|---|---|
| 1 Form A × 4 | DC only (Equipped with AQZ102) | 12 V DC | RT3SP1-12V |
| 24 V DC | RT3SP1-24V | ||
| AC/DC dual use (Equipped with AQZ204) | 12 V DC | RT3SP2-12V | |
| 24 V DC | RT3SP2-24V |
| Standard packing: | Carton: 1 pc.; Case: 20 pcs. |
|---|
| *1 | Only for use with PhotoMOS Power type. Cannot be equipped with PA relays. |
|---|---|
| *2 | Please inquire other contact arrangement. |
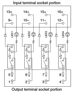
4-point Terminal
| Standard packing: | Carton: 1 pc.; Case: 20 pcs. |
|---|
Mountable relays for 4-point Terminal (per relay, at 25°C 77°F, initial)
| Possible relays | Output | ||||
|---|---|---|---|---|---|
| Type | Part No. | Maximum load voltage | Recommended load voltage | Continuous load current | Peak load current |
|
PhotoMOS Power type (DC only) |
AQZ102 | 60 V DC | 0 to 30V DC | 2.00A | 9.0A |
| AQZ105 | 100 V DC | 0 to 50V DC | 1.50A | 6.0A | |
| AQZ107 | 200 V DC | 0 to 100V DC | 0.70A | 3.0A | |
| AQZ104 | 400 V DC | 0 to 200V DC | 0.40A | 1.5A | |
|
PhotoMOS Power type (AC/DC dual use) |
AQZ202 | 60V (peak) | 0 to 12V AC/0 to 30V DC | 1.80A | 9.0A |
| AQZ205 | 100V (peak) | 0 to 24V AC/0 to 50V DC | 1.20A | 6.0A | |
| AQZ207 | 200V (peak) | 0 to 48V AC/0 to 100V DC | 0.60A | 3.0A | |
| AQZ204 | 400V (peak) | 0 to 125V AC/0 to 200V DC | 0.30A | 1.5A | |
| AQZ404(1 Form B type) | 400V (peak) | 0 to 125V AC/0 to 200V DC | 0.30A | 1.5A | |
| *1 | Peak load current is limited to “100 ms, 1 shot”. |
|---|---|
| *2 | The ratings per point in the table above also apply during 4-point simultaneous operation. |
| *3 |
Please use a load current that is within the range of the data given below in “Reference data 2. Load current vs. ambient temperature characteristics”. |
| *4 | Be very careful regarding the polarity on the output side when equipped with AQZ10* (dedicated PhotoMOS power DC type). |
| *5 |
Never equip a product with a relay other than those given above. Doing so can cause product malfunction, breakdown, and breakdown of connected devices. |
1.Dimensions
|
|
|
Option
*Approved for all the optional products.
|
- Unit : mm/inch
Short circuit plate
Use when you want to bridge terminals.
|
|
|
|



















科恩電氣
科恩眾和