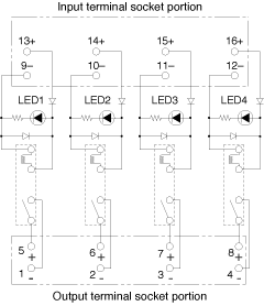
4點單元繼電器/4點終端 (PA繼電器型)
實現了細長、省空間的4點輸出。機械繼電器配備型。
編 號:101569196
型 號:RT系列
品 牌:Panasonic(松下電工)
貨 期:現貨
服 務:由科恩電氣發貨并提供售后服務
瀏 覽:次
- 基本信息
- 產品種類
- 詳細規格
- 產品尺寸
- 產品用途
- 可選件
Slim, Space-saving, 4-point Unit Relay
|
|
Not currently certified by any standards
Features
1.Slim, space-saving type (33 mm 1.299 inch wide) with four independent points on a base measuring 33 × 67 mm 1.299 × 2.638 inch. This contributes to a more compact control panel.
2.PA relays, which have high sensitivity Au clad twin contacts, are installed.
PA relays, 5 mm .197 inch wide, are installed.
The PA relays feature high sensitivity (12 V type: 120 mW, 24 V type: 180 mW) and twin contacts with Au-cladding, which combine to ensure high reliability even with minute loads.
3.Can be mounted on a DIN rail or mounted directly (by screw).
4.Equipped with an LED display to allow easy confirmation of operation.
5.Possible to select relay for use in the 4-point terminal in accordance with load.
Rating/ Performance
1.RT-3 Unit relay
1. Input ratings (per PA relay)
| Part No. | Rated input voltage |
Input current (at rated input voltage, 20°C 68℉) (approx.) |
Allowable variation of rated input voltage (-20 to +55°C - 4 to +131℉) |
|---|---|---|---|
| RT3S-12V |
12 V DC
|
11.5 mA (Relay 10 mA + LED 1.5 mA) |
12 V DC ± 10%
|
| RT3S-24V |
24 V DC
|
10.5 mA (Relay 7.5 mA + LED 3 mA)
|
24 V DC ± 10%
|
2. PA Relay coil specifications (reference value)
| Relay part No. |
Pick-up voltage (Initial) (at 20°C 68℉) |
Drop-out voltage (Initial) (at 20°C 68℉) |
Coil resistance (±10%) (at 20°C 68℉) |
Nominal operating power |
|---|---|---|---|---|
| PA1a-12V | 70%V or less of nominal voltage | 5%V or more of nominal voltage | 1,200 Ω | 120 mW |
| PA1a-24V | 3,200 Ω | 180 mW |
3. Output ratings (per PA relay)
| Specification | Item | Specifications |
|---|---|---|
| Contact rating | Rated control capacity (resistive load) | 3 A 250 V AC, 3 A 30 V DC |
| Maximum allowable contact power (resistive load) | 750 VA (AC), 90 W (DC) | |
| Maximum allowable contact voltage | 250 V AC, 30 V DC | |
| Maximum allowable contact current | 3 A | |
| Minimum load (reference value) | 100 mV 100 μA | |
| Expected life | Electrical (resistive load) |
Min. 3 × 104: 3 A 250V AC Min. 3 × 104: 3 A 30V DC Min. 105: 2 A 250V AC Min. 105: 2 A 30V DC |
| Mechanical | Min. 2 × 107 (at 180times/min.) |
| * | During 4-point simultaneous operation, the rating per point is also as shown above. |
|---|
2.4-point Terminal
1. Input ratings (per relay)
| Rated input voltage | Allowable variation of rated input voltage | Allowable input current |
|---|---|---|
| 12, 24 V DC | 12 V DC ±10%, 24 V DC ±10% | 0.2A |
| * | The input voltage value above is the allowable current when no relay is installed. Please note that input voltage is determined by the type of relay installed. |
|---|
2. Input rating when PA relay installed (per relay, at 20°C 68°F)
| Type | Rated voltage input | Operate voltage (Initial) | Release voltage (Initial) |
Input current (during application of rated input voltage) |
|---|---|---|---|---|
| PA1a-12V | 12 V DC |
Max. 9.5V DC (Relay max. 8.4V + include diode max. 1.1V) |
Min. 1.0V DC (Relay min. 0.6V + include diode min. 0.4V) |
Approx. 11.5mA (Relay 10mA + LED 1.5mA) |
| PA1a-24V | 24 V DC |
Max. 17.9V DC (Relay max. 16.8V + include diode max. 1.1V) |
Min. 1.6V DC (Relay min. 1.2V + include diode min. 0.4V) |
Approx. 10.5mA (Relay 7.5mA + LED 3mA) |
3. Input rating when PhotoMOS Power voltage sensitive type installed (per relay, at 25°C 77°F)
| Type |
Rated voltage input |
Operate voltage (Initial) | Release voltage (Initial) |
Input current (during application of rated input voltage) |
|---|---|---|---|---|
| AQZ*0*D | 12, 24V DC |
Max. 5.1V DC (Relay max. 4.0V + include diode max. 1.1V) |
Min. 1.2V DC (Relay min. 0.8V + include diode min. 0.4V) |
Approx. 10.0mA (Relay 7.0mA + LED 3mA) |
4. Output rating (per relay)
| Allowable load voltage | Allowable load current |
|---|---|
| 600V (DC), 600V (AC peak value) | 3A |
| * |
The value above is the allowable value when no relay is installed. Please note that limitations apply to the load voltage and current depending on the type of relay installed. |
|---|
5. Output rating when PA relay installed (per relay, at 20°C 68°F)
| Specification | Item | Specifications |
|---|---|---|
| Contact rating | Rated control capacity (resistive load) | 3 A 250 V AC, 3 A 30 V DC |
| Maximum allowable contact power (resistive load) | 750 VA (AC), 90 W (DC) | |
| Maximum allowable contact voltage | 250 V AC, 30 V DC | |
| Maximum allowable contact current | 3 A | |
| Minimum load (reference value) | 100 mV 100 μA | |
| Expected life | Electrical (resistive load) |
Min. 3×104: 3 A 250V AC, 3 A 30V DC Min. 105: 2 A 250V AC, 2 A 30V DC |
| Mechanical | Min. 2×107 (at 180 times/min.) |
| * | During 4-point simultaneous operation, the rating per point is also as shown above. |
|---|
6. Output rating when PhotoMOS Power Voltage-sensitive type installed (per relay, at 25°C 77°F)
| Possible relays |
Maximum load voltage (DC, AC peak value) |
Continuous load current (DC, AC peak value) |
Possible relays |
Maximum load voltage (DC, AC peak value) |
Continuous load current (DC, AC peak value) |
||
|---|---|---|---|---|---|---|---|
| Type | Part No. | Type | Part No. | ||||
| DC only | AQZ102D | 60V | 1.80A |
AC, DC dual use |
AQZ202D | 60V | 1.350A |
| AQZ105D | 100V | 1.15A | AQZ205D | 100V | 0.900A | ||
| AQZ107D | 200V | 0.55A | AQZ207D | 200V | 0.450A | ||
| AQZ104D | 400V | 0.30A | AQZ204D | 400V | 0.225A | ||
| *1 | During 4-point simultaneous operation, the rating per point is also as shown above. |
|---|---|
| *2 | Please use a load current that is within the range of the data given below in "Reference data Load current vs. ambient temperature characteristics". |
Specifications
RT-3 Unit relay/4-point Terminal
| Item | Specifications | Condition | |
|---|---|---|---|
| Breakdown voltage | Between input and output | 2,000 Vrms | for 1 min. |
| Between different terminals (between relays, both ways) | 1,500 Vrms | for 1 min. | |
| Insulation resistance | Min. 100 MΩ (Measurement at same location as “Breakdown voltage” section.) | Using 500 V DC megger | |
| Vibration resistance (destructive) |
10 to 55 Hz at double amplitude 1 mm .039 inch |
In vertical, horizontal and longitudinal directions | |
| Vibration resistance (functional) |
10 to 55 Hz at double amplitude 1 mm .039 inch |
||
| Shock resistance (destructive) | Min. 196 m/s2 | In vertical, horizontal and longitudinal directions | |
| Shock resistance (functional) | Min. 98 m/s2 | In vertical, horizontal and longitudinal directions | |
| Ambient temperature | -20°C to +55°C - 4°F to +131°F | Not freezing and condensing | |
| Ambient humidity | 35% to 85% R.H. | Not condensing | |
| Storage temperature | -30°C to +80°C -22°F to +176°F | Not freezing and condensing | |
| Terminal screw fasten torque | 0.3 to 0.5 Nm | ||
| Coil surge absorber | Diode (1 A, 400 V) | ||
| Cross connection protecting diode | 1 A, inverse voltage 400 V | ||
| Unit weight | Approx. 100 g 3.53 oz | ||
| *1 | The value of breakdown voltage and insulation resistance is the initial one. |
|---|---|
| *2 | Condensing occurs when the unit relay is exposed to sudden temperature change in a high temperature and high humidity atmosphere. This may cause some troubles like insulation failure of the socket or the print circuit board. Take care under this condition. |
| *3 | Below 0°C 32°F, condensing water can freeze and cause socket contact failures and other problems. Take care under this condition. |
Reference data
1. Maximum value for switching capacity(output)
Per PA relay
|
2. Load current vs. ambient temperature characteristics (DC only)
|
3. Load current vs. ambient temperature characteristics (AC/DC dual use)
|
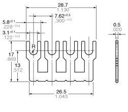
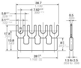
1.Dimensions
|
|
|
Option
*Approved for all the optional products.
|
- Unit : mm/inch
Short circuit plate
Use when you want to bridge terminals.
|
|
|
|




















科恩電氣
科恩眾和