位置控制專用小型伺服驅動器 單相100V
位置控制專用小型伺服,速度響應頻率 400 Hz
- 基本信息
- 產品種類
- 詳細規格
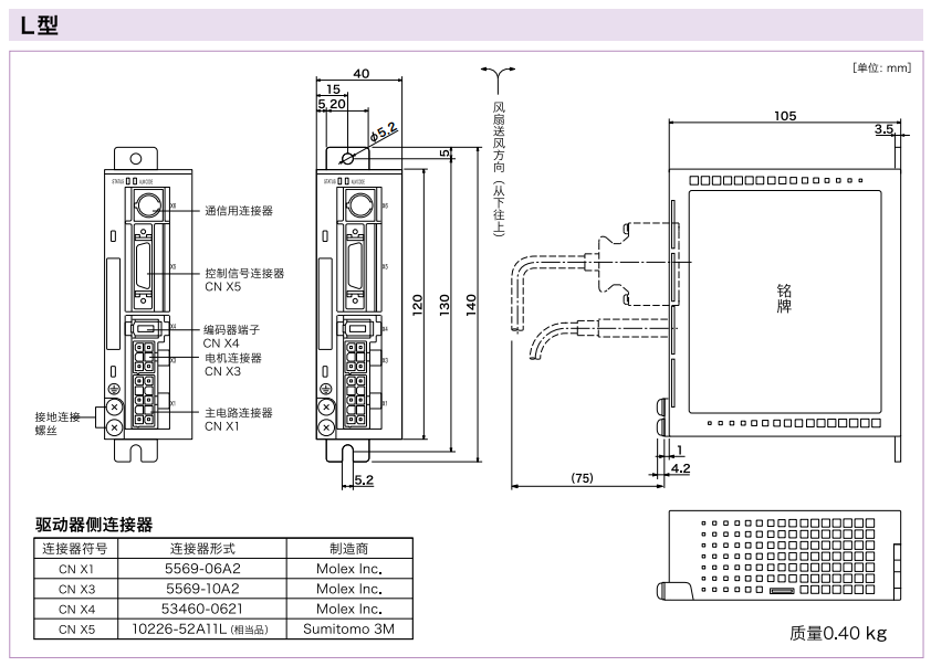
- 產品尺寸
- 產品用途
- 可選件


位置控制專用小型伺服,速度響應頻率 400 Hz