數字光纖傳感器 FX-500 Ver.2放大器模擬輸出型 FX-505-C2 / FX-505P-C2
業界新登場 ?寬屏2個畫面 ?高功能 ?監控電流輸出型新上市
編 號:1012861606
型 號:FX-505-C2 / FX-505P-C2
品 牌:Panasonic(松下電工)
貨 期:現貨
服 務:由科恩電氣發貨并提供售后服務
瀏 覽:次
- 基本信息
- 產品種類
- 詳細規格
- 產品尺寸
- 產品用途
- 可選件
特點
|
|
裝載Sensing Engine SENTRION |
|
不同的穩定感!
「各種進行相同檢測的數字」、「顯示值強制統一,動作時無法進行讀取」
松下電工SUNX著眼于光纖傳感器的機體差,以數字化數值更接近絕對值為目標。
FX-500 Ver.2系列通過與超品質光纖間的組合,將入光量的機體差減少至了以往的1/4。
可使數字化數值更接近絕對值,并可對以往絕對無法了解的檢測狀態的變化進行監視。
|
■在作業指導書上1個數值都可以被清楚記載
■穩定的光纖傳感器維護簡單[業界首創]
■入光亮穩定,確保光軸調整[業界首創]
超乎想象的品質!
超品質光纖問世
業內最快※&長距離檢測
配備傳感發動機“SENTRION”,從主動耦合投光設備中生成高結合效率的超光束,實現了業內最快※的高速應答和超長距離傳感。擴大了檢測的可能性。
|
■業內最快的25μs※ |
即使是適用需告訴反應小徑光纖的小型工件檢測時,無論是否高速化,都可按照大于以往最快速模式的檢測距離進行適用。 |
|
■配備實現長距離感應的HYPR模式 |
|
|
■細徑光纖絕對領先的No. 1※ |
|
■超高速模式下也能反應! |
|
※2009年9月本公司調查結果
不同的切割感!
傳感發動機通過“SENTRION”和徹底的S/N比提高,實現了高精細化及低應差化。
以往無法檢測的微小光量變化也能盡收眼底。
|
|
新規格!
|
|
|
監控電流輸出型上市[FX-505(P)-C2]
可對入光量的數值輸出4~20mA的模擬電流,因此可對檢測物體進行監控。
|
支持豐富功能的業界最高峰
|
■顯示調整設定 |
|
|
■穩定的投光量 |
|
|
■設定基準值追蹤周期 |
|
■自己判斷輸出 [FX-502(P)]
■同時具備穩定的檢測和ECO,投光POWER和GAIN設定
■搭載了邏輯運算功能 [業界首創]
■裝備了5種的計時功能
■通過8個數據庫實現流暢的工序更換
■通過基于外部輸入的遠程操作,提高作業效率[FX-502(P)]
■通過光通信功能進行整體調整
■無主機、子機之分
配備防干擾功能
|
最多可采用12臺,通過光通信進行干涉防止。 |
|
內置各種控制功能無需控制器
■有效節省配線,降低成本
■配備邏輯運算功能(AND,OR,XOR)
■配備5種定時器功能
種類
放大器
放大器本體不附帶單觸式電纜。請務必另行購買單觸式電纜。
單觸式電纜 FX-501(P)用
放大器本體不附帶單觸式電纜。請務必另行購買單觸式電纜。
| (注): |
從2013年3月開始生產的產品,單觸式電纜的材質將更改為適應UL認證的材質(難燃性VW-1)。 ?導體公稱截面積:0.15mm2→0.2mm2 ?鎧裝外徑:?3.0mm→?3.3mm |
|---|
|
|
單觸式電纜 FX-502(P)用
放大器本體不附帶單觸式電纜。請務必另行購買單觸式電纜。
|
|
尾盤
尾盤放大器本體不附帶尾盤。連接時請務必另行購買尾盤。
| 形狀 | 型號 | 內容 |
|---|---|---|
|
MS-DIN-E |
連接放大器或在DIN導軌上移動放大器時,請從兩端夾緊放大器,并將其固定。 連接時請務必使用。 |
規格
| 種類 | 標準型 | 雙輸出型 | 模擬輸出型 | ||
|---|---|---|---|---|---|
| 連接器型 | 電纜型 | ||||
|
型 號 |
NPN輸出 | FX-501 | FX-501-C2 | FX-502 | FX-505-C2 |
| PNP輸出 | FX-501P | - | FX-502P | FX-505P-C2 | |
| 電源電壓 | 12~24V DC±10% 脈動P-P10%以下 | 24V DC+10-15% 脈動P-P10%以下 | 12~24V DC±10% 脈動P-P10%以下 | ||
| 消耗電流 |
通常時:960mW以下 (電源電壓24V時,消耗電流40mA以下,電纜型的監控電流輸出除外) ECO模式時:680mW以下 (電源電壓24V時,消耗電流28mA以下,電纜型的監控電流輸出除外) |
通常時:960mW以下 (電源電壓24V時,消耗電流40mA以下) ECO模式時:680mW以下 (電源電壓24V時,消耗電流28mA以下) |
通常時:960mW以下 (電源電壓24V時,消耗電流40mA以下,電纜型的監控電流輸出除外) ECO模式時:680mW以下 (電源電壓24V時,消耗電流28mA以下,電纜型的監控電流輸出除外) |
||
|
輸出 (雙輸出型?電纜型為輸出1、輸出2) |
NPN開路集電極晶體管 ?最大流入電流:100mA(雙輸出型?模擬輸出型為50mA)(注2) ?外加電壓:30V DC以下(輸出和0V之間) ?剩余電壓:2V以下(注3)(最大流入電流的條件下) PNP開路集電極晶體管 ?最大源電流:100mA(雙輸出型?模擬輸出型為50mA)(注2) ?外加電壓:30V DC以下(輸出和+V之間) ?剩余電壓:2V以下(注3)(最大源電流的條件下) |
||||
| 輸出點數 | 1點 | 2點 | |||
| 輸出動作 | 可用L/D模式切換入光時ON或非入光時ON | ||||
| 短路保護 | 配備 | ||||
| 響應時間 | H-SP:25μs以下、FAST:60μs以下、STD:250μs以下、LONG:2ms以下、U-LG:4ms以下、HYPR:24ms以下 切換式 | ||||
|
監控電流 輸出 |
- |
輸出電流: 約4?20mA [H-SP、FAST、STD:顯示0?4,000、LONG:顯示0?8,000 (注4)]、 響應時間:2ms以下 零點:4mA±1%F.S.以內、 跨距:16mA±5%F.S.以內、 直線性:±3%F.S.以內、 負載電阻:0?250Ω |
- |
輸出電流: 約4?20mA [H-SP、FAST、STD:顯示0?4,000、LONG:顯示0?8,000 (注4)]、 響應時間:2ms以下 零點:4mA±1%F.S.以內、 跨距:16mA±5%F.S.以內、 直線性:±3%F.S.以內、 負載電阻:0?250Ω |
|
|
外部輸入 (雙輸出型 切換輸出2) |
- |
< NPN輸出型> NPN無觸點輸入 ?信號條件 High:+8V?+V DC或斷開 Low:0?+1.2V DC(源電流0.5mA) ?輸入阻抗:約10kΩ PNP無觸點輸入 ?信號條件 High:+4V?+V DC(信號條件3mA) Low:0?+0.6V DC或斷開 ?輸入阻抗:約10kΩ |
|||
|
外部輸入 對應功能 |
- |
投光停止/教導(全自動、限定、2點教導)/邏輯運算設定/復制功能的鎖定/顯示調整/ 數據庫加載/數據庫保存 切換式 |
|||
| 靈敏度設定方法 |
2點教導/限定教導/ 全自動教導/手動調節 |
||||
|
入光量 顯示范圍 |
H-SP/FAST/STD:0?4,000、 LONG:0?8,000、U-LG/HYPR:0?9,999 |
||||
| 定時器功能 | OFF延遲定時器/ON延遲定時器/單觸式定時器/ON·OFF延遲定時器/ON延遲·單觸式定時器 有效/無效切換式 定時器時間可變 |
<輸出1> 斷開延遲定時器/接通延遲定時器/ONE SHOT定時器/接通?斷開延遲定時器/接通延遲?ONE SHOT定時器 有效/無效切換式 定時器時間可變 |
|||
|
<輸出2> 斷開延遲定時器/接通延遲定時器/ONE SHOT定時器 有效/無效切換式 定時器時間可變 |
|||||
|
定時器 時間 |
定時器范圍"ms":約0.5ms、約1?9,999ms、約1ms為單位/ 定時器范圍"sec.":約0.5s、約1?32s、約1s為單位/ 定時器范圍"1/10ms":約0.05ms、約0.1?999.9ms、約0.1ms為單位 各輸出分別設定 |
||||
|
投光量 可調節功能 |
配備 3級(各級為25~100%)+ 自動設定[H-SP為1級(25~100%)] |
||||
| 防干擾功能 | 配備(注5) 自動/異頻 切換式 | ||||
| 各種設定 |
滯后設定/轉移設定/投光量設定/顯示反轉設定/ECO設定/數據庫加載?保存設定/復制設定/ 代碼設定/復位設定/邏輯運算設定/基準值追蹤周期設定等 |
||||
| 保護構造 | IP40(IEC) | ||||
| 使用環境溫度 |
-10?+55℃ [4?7臺緊貼時:-10?+50℃、8?16臺緊貼時(電纜型為8~12臺):-10?+45℃] (注意不可結露、結冰)、 存儲時:-20?+70℃ |
||||
|
投光元件 (調制式) |
紅色LED(投光波峰波長:643nm) | ||||
| 材質 | 外殼、外罩:聚碳酸酯(注6)、開關:聚酯類彈性體 | ||||
| 電纜 | - | 0.2mm23芯橡皮電纜,長2m | - | 0.2mm26芯橡皮電纜,長2m | |
| 電纜延長 | - | 0.3mm2以上的電纜,全長可延長至100m | - | 0.3mm2以上的電纜,全長可延長至100m(電源電壓為12V DC以上) | |
| 重量 | 本體重量:約15g、包裝重量:約70g | 本體重量:約60g、包裝重量:約65g | 本體重量:約15g、包裝重量:約70g |
本體重量:約60g、 包裝重量:約100g |
|
| 附件 | FX-MB1(放大器保護封條):1套 | ||||
(注1):無指定時的測量條件為使用環境溫度=+23℃。
(注2):連接5臺以上的連接器型時為50mA(雙輸出型、電纜型為25mA)。
(注3):使用電纜長5m的單觸式電纜(另售)的條件下。
(注4):進行顯示調整設定后不適用。
(注5):如下表所示,使用自動防干涉功能時,光纖頭的可緊貼安裝數量因響應時間而異。使用異頻防干擾功能時的光纖頭可緊貼安裝數量最多為3個。
■光纖頭可緊貼安裝數量(單位:套)
| 響應時間 | H-SP | FAST | STD | LONG | U-LG | HYPR |
| IP-1 | 0 | 2 | 4 | 8 | 8 | 12 |
(注6):根據松下品牌的產品變更規格。
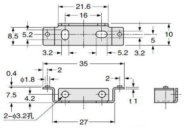
尺寸圖
- 單位mm
FX-501(P) FX-502(P)
放大器
|
FX-501-C2
放大器
|
FX-505(P)-C2
放大器
|
CN-73-C□ CN-74-C□
母電纜(另售)
|
CN-71-C□ CN-72-C□
子電纜(另售)
|
MS-DIN-2
放大器安裝支架(另售)
|
MS-DIN-E
放大器安裝支架(另售)
|
FT-30
超品質光纖?透過型
|
FT-40
超品質光纖?透過型
|
FT-S20
超品質光纖?透過型
|
FT-S30
超品質光纖?透過型
|
FD-30
超品質光纖?透過型
|
FD-40
超品質光纖?透過型
|
FD-60
超品質光纖?透過型
|
FD-S30
超品質光纖?透過型
|
可選件
| 品名 | 型號 | 內容 |
|---|---|---|
| 放大器安裝支架 | MS-DIN-2 | 放大器專用的安裝支架。 |
|
附件
|
光纖配件(另售)
光纖配件
關于光纖配件產品的詳細,請參考
光纖配件商品信息頁面。






















2014年12月 電纜型數字光纖傳感器FX-501-C2

科恩電氣
科恩眾和