手動設定光纖傳感器 FX-311放大器 FX-311P/FX-311BP/FX-311GP
為習慣操作調節器的作業人員帶來福音
編 號:1013201368
型 號:FX-311P/FX-311BP/FX-311GP
品 牌:Panasonic(松下電工)
貨 期:現貨
服 務:由科恩電氣發貨并提供售后服務
瀏 覽:次
- 基本信息
- 產品種類
- 詳細規格
- 產品尺寸
- 產品用途
- 可選件
為習慣操作調節器的作業人員帶來福音
|
※1
|
※2
|
| ※1 | EMC指令 |
|---|---|
| ※2 | Recognition認證 |
特點
內置光學透鏡,實現長距離檢測
|
同行業中首創在光纖傳感器中直接內置光學“雙耦合透鏡”。此透鏡最大限度的提高 了投光效率,大幅增加了檢測距離。近年來,由于集成電路塊的小型化,小直徑,極 小直徑光纖頗受歡迎,其檢測距離也比以前使用其他放大器時的值增加了50%。 |
|
備有三種光源以擴大用途
|
除紅色LED(4元素投光二極體)型以外,還備有藍色LED和綠色LED型,以配合更大的用途范圍。 |
|
使用壽命長,有效減少了維護工時
以往光纖傳感器使用的投光元件會因溫度影響及長期使用引起發光量隨時間而變化,因而需要重新調整靈敏度。FX-311(紅色LED型)采用了數字光纖傳感器FX-301(紅色LED型)使用的“4元素發光二極體”??梢种仆豆庠睦匣?,確保長期的穩定檢測。
帶可視指示器的12圈調節器
|
配備12圈調節器用于微調。它能檢測極細微差別。此外,由于指示器的指針有紅色背景光,在黑暗區域也可一眼確認其位置。 |
|
按照用途可分三步選擇模式
模式轉換開關可按照檢測用途任意改變為以下三種模式的一種。
|
帶單觸電纜,易于維護
|
主單元和子單元使用同一放大器主體。因為只有在主單元上正確使用3芯母電纜,在每個子單元上正確使用單芯子電纜才能分辨出主、子單元功能,因此可在橫向連接構造中簡單安裝。另外,由于主單元、子單元使用同一主體,可簡化庫存管理和維護。 |
|
“幫助功能”簡化了最佳靈敏度調節
|
可貼近安裝4個光纖頭
|
如果放大器貼近連接在一起,打開電源后光通信功能就自動為放大器設定不同的投光計時。多達4個光纖頭可貼近安裝在一起,而不產生相互干擾。 |
|
可與FX-301系列貼近連接,從而實現省配線及快速安裝
|
每根子電纜都是一個獨立的輸出線,從而減少了接線,并簡化了安裝。使用與FX-301系列相同的單觸電纜,使貼近連接變得容易。而且,連接器是滑動型的,無需改變放大器的位置就能取出,這樣就無需在放大器周圍保留額外維護空間。 |
|
種類
放大器
放大器本體不附帶單觸式電纜。請務必另行購買單觸式電纜。
單觸式電纜
放大器本體不附帶單觸式電纜。請務必另行購買單觸式電纜。
| (注): |
從2013年3月開始生產的產品,單觸式電纜的材質將更改為適應UL認證的材質(難燃性VW-1)。 ?導體公稱截面積:0.15mm2→0.2mm2 ?鎧裝外徑:?3.0mm→?3.3mm |
|---|
|
|
尾盤
尾盤放大器本體不附帶尾盤。連接時請務必另行購買尾盤。
| 形狀 | 型號 | 內容 |
|---|---|---|
|
MS-DIN-E |
連接放大器或在DIN導軌上移動放大器時,請從兩端夾緊放大器,并將其固定。 連接時請務必使用。 |
規格
放大器 [NPN型]
| 種類 | NPN輸出 | |||
| 紅色LED | 藍色LED | 綠色LED | ||
| 型號 | FX-311 | FX-311B | FX-311G | |
| 電源電壓 | 12?24V DC±10% 脈動P-P10%以下 | |||
| 消耗功率 | 840mW以下(電源電壓24V時,消耗電流35mA以下) | |||
| 輸出 |
NPN開路集電極晶體管 ?最大流入電流:100mA(連接5臺以上時為50mA) ?外加電壓:30V DC以下(輸出和0V之間) ?剩余電壓:1.5V以下 (流入電流為100mA時,連接5臺以上時為50mA) |
|||
| 輸出動作 | 可用切換開關選擇入光時ON/非入光時ON | |||
| 短路保護 | 配備 | |||
| 反應時間 |
<紅色LED型> 250μs以下(S-D/STD)、2ms以下(LONG) 通過切換開關選擇 <藍色LED/綠色LED型> 150μs以下(FAST)、250μs以下(STD)、2ms以下(LONG) 通過切換開關選擇 |
|||
| 工作狀態指示燈 | 橙色LED(輸出ON時亮起) | |||
| 安定指示燈 | 綠色LED(穩定入光時、穩定非入光時亮起) | |||
| 靈敏度調節器 | 帶指示器(指針部分:紅色背景光)的12回轉調節器(注2) | |||
| 定時器功能 | 配備斷開延遲定時器,可選擇有效(約10ms或40ms)/或無效 | |||
| 自動防干擾功能 | 配備(最多可緊貼安裝4個光纖頭)(注3) | |||
|
環 境 性 能 |
使用環境溫度 |
-10?+55℃(4?7臺連接時:-10?+50℃、連接8?16臺時:-10?+45℃) (注意不可結露、結冰)、存儲時:-20?+70℃ |
||
| 使用環境濕度 | 35?85%RH、存儲時:35?85%RH | |||
| 使用環境照度 | 白熾燈: 受光面照度3,000lx以下 | |||
| 耐電壓 | AC1,000V 1分鐘 所有電源連接端子與外殼之間(注4) | |||
| 絕緣電阻 | 所有電源連接端子與外殼之間,20MΩ以上,基于DC250V的高阻表(注4) | |||
| 耐振動 | 頻率10~150Hz 雙振幅0.75mm X,Y和Z方向各2小時 | |||
| 耐沖擊 | 加速度98m/s2(約10G) XYZ方向各5次 | |||
| 投光元件 |
紅色LED (調制式) |
藍色LED (調制式) |
綠色LED (調制式) |
|
| 投光波峰波長 | 650nm | 470nm | 525nm | |
| 材質 | 外殼: 耐熱ABS、外罩: 聚碳酸酯 | |||
| 連接方式 | 連接器連接式(注5) | |||
| 配線長度 | 0.3mm2以上的電纜全長可延長至100m | |||
| 重量 | 本體重量:約15g、包裝重量:約20g | |||
(注1):無指定時的測量條件為使用環境溫度=+23℃。
(注2):指針部的紅色背景光在接通電源和調整靈敏度時會比通常亮度更高。
(注3):電源接通時,防干擾設定將自動設定投光定時。
(注4):耐電壓和絕緣電阻值僅適用于放大器單件。
(注5): 不附帶單觸式電纜。請務必使用另售的單觸式電纜。
母電纜(3芯):CN-73-C1(電纜長1m)、CN-73-C2(電纜長2m)、CN-73-C5(電纜長5m)
子電纜(1芯):CN-71-C1(電纜長1m)、CN-71-C2(電纜長2m)、CN-71-C5(電纜長5m)
放大器 [PNP型]
| 種類 | PNP輸出 | |||
| 紅色LED | 藍色LED | 綠色LED | ||
| 型號 | FX-311P | FX-311BP | FX-311GP | |
| 電源電壓 | 12?24V DC±10% 脈動P-P10%以下 | |||
| 消耗功率 | 840mW以下(電源電壓24V時,消耗電流35mA以下) | |||
| 輸出 |
PNP開路集電極晶體管 ?最大源電流:100mA(連接5臺以上時為50mA) ?外加電壓:30V DC以下(輸出和+V之間) ?剩余電壓:1.5V以下 (源電流為100mA時,連接5臺以上時為50mA) |
|||
| 輸出動作 | 可用切換開關選擇入光時ON/非入光時ON | |||
| 短路保護 | 配備 | |||
| 反應時間 |
<紅色LED型> 250μs以下(S-D/STD)、2ms以下(LONG) 通過切換開關選擇 <藍色LED/綠色LED型> 150μs以下(FAST)、250μs以下(STD)、2ms以下(LONG) 通過切換開關選擇 |
|||
| 工作狀態指示燈 | 橙色LED(輸出ON時亮起) | |||
| 安定指示燈 | 綠色LED(穩定入光時、穩定非入光時亮起) | |||
| 靈敏度調節器 | 帶指示器(指針部分:紅色背景光)的12回轉調節器(注2) | |||
| 定時器功能 | 配備斷開延遲定時器,可選擇有效(約10ms或40ms)/或無效 | |||
| 自動防干擾功能 | 配備(最多可緊貼安裝4個光纖頭)(注3) | |||
|
環 境 性 能 |
使用環境溫度 |
-10?+55℃(4?7臺連接時:-10?+50℃、連接8?16臺時:-10?+45℃) (注意不可結露、結冰)、存儲時:-20?+70℃ |
||
| 使用環境濕度 | 35?85%RH、存儲時: 35?85%RH | |||
| 使用環境照度 | 白熾燈: 受光面照度3,000lx以下 | |||
| 耐電壓 | AC1,000V 1分鐘 所有電源連接端子與外殼之間(注4) | |||
| 絕緣電阻 | 所有電源連接端子與外殼之間,20MΩ以上,基于DC250V的高阻表(注4) | |||
| 耐振動 | 頻率10~150Hz 雙振幅0.75mm X,Y和Z方向各2小時 | |||
| 耐沖擊 | 加速度98m/s2(約10G) XYZ方向各5次 | |||
| 投光元件 |
紅色LED (調制式) |
藍色LED (調制式) |
綠色LED (調制式) |
|
| 投光波峰波長 | 650nm | 470nm | 525nm | |
| 材質 | 外殼:耐熱ABS、外罩:聚碳酸酯 | |||
| 連接方式 | 連接器連接式(注5) | |||
| 配線長度 | 0.3mm2以上的電纜全長可延長至100m | |||
| 重量 | 本體重量:約15g、包裝重量:約20g | |||
(注1):無指定時的測量條件為使用環境溫度=+23℃。
(注2):指針部的紅色背景光在接通電源和調整靈敏度時會比通常亮度更高。
(注3):電源接通時,防干擾設定將自動設定投光定時。
(注4):耐電壓和絕緣電阻值僅適用于放大器單件。
(注5): 不附帶單觸式電纜。請務必使用另售的單觸式電纜。
母電纜(3芯):CN-73-C1(電纜長1m)、CN-73-C2(電纜長2m)、CN-73-C5(電纜長5m)
子電纜(1芯):CN-71-C1(電纜長1m)、CN-71-C2(電纜長2m)、CN-71-C5(電纜長5m)
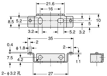
尺寸圖
- 單位mm
FX-311□
FX-311□P
|
CN-73-C1 CN-73-C2
CN-73-C5
|
CN-71-C1
CN-71-C2
CN-71-C5
子電纜(另售)
|
MS-DIN-2
|
MS-DIN-E
尾盤(另售)
|
用途
|
|
|
可選件
|
|
|
|||||||||
其它
關于其它可選件、詳細請參考「光纖可選件」和「光纖用透鏡」各頁面。





















科恩電氣
科恩眾和