薄型?模擬光纖傳感器 FX-11A
模擬電壓輸出:1~5V,多用途模擬輸出類型
- 基本信息
- 產品種類
- 詳細規格
- 產品尺寸
- 產品用途
- 可選件
多用途模擬輸出類型
|
特點
模擬電壓輸出
裝備1~5V的模擬電壓輸出。
多種用途
|
與各種光纖和超小型數字板控制器、CA2系列組合,FX-11A有多種用途,例如通過不同檢測進行高度評估,水平檢測等。 |
|
防干擾功能
|
兩套光纖可面對面連接在一起。 |
|
細長尺寸厚度僅為10mm
|
厚度僅為10mm,可安裝在狹窄的空間內。 |
|
飽和指示燈
|
輸出達5V時,飽和指示燈會亮起。因此即使不用測試裝置,傳感器靈敏度也很容易調節。而且裝備了一個入光指示燈,當入光(輸出電壓)達到一定數量,入光指示燈便會亮起。 |
|
種類
放大器
|
附件
|
規格
放大器
| 種類 | FX-11A | |
| 電源電壓 | 12?24V DC±10% 脈動P-P10%以下 | |
| 消耗電流 | 35mA以下 | |
| 模擬輸出 |
模擬電壓 ?輸出電壓:1?5V(與入光量成比例) ?輸出電流:5mA以下 ?輸出電阻:47Ω ?耐負載:2kΩ以上 ?溫度特性:0.3%F.S./℃以下 |
|
| 反應時間 | 1ms以下/10ms以下 通過切換開關選擇 | |
| 入光指示燈 | 紅色LED(模擬輸出電壓達到一定數量時,亮起) | |
| 飽和指示燈 | 綠色LED(當模擬輸出電壓達到5V,亮起) | |
| 靈敏度調節器 | 帶指示燈的8回轉調節器 | |
| 防干擾功能 | 配備 | |
|
環 境 性 能 |
使用環境溫度 | -10?+55℃(注意不可結露、結冰)、存儲時:-20?+70℃ |
| 使用環境濕度 | 35?85%RH、存儲時:35?85%RH | |
| 使用環境照度 | 白熾燈:受光面照度1,000lx以下 | |
| 耐電壓 | AC1,000V 1分鐘 所有電源連接端子與外殼之間(注2) | |
| 絕緣電阻 | 所有電源連接端子與外殼之間,20MΩ以上,基于DC250V的高阻表(注2) | |
| 耐振動 | 頻率10~150Hz 雙振幅0.75mm X,Y和Z方向各2小時 | |
| 耐沖擊 | 耐久100m/s2(約10G) XYZ方向各5次 | |
| 投光元件 | 紅色LED(投光波峰波長:660nm、調制式) | |
| 材質 | 外殼:耐熱ABS、外罩:聚碳酸酯、光纖鎖桿:PES | |
| 電纜 | 0.2mm2 4芯橡皮電纜,長2m | |
| 電纜延長 | 0.3mm2以上的電纜全長可延長至100m(注3) | |
| 重量 | 本體重量:約60g、包裝重量:約100g | |
| 附件 | MS-DIN-2(放大器安裝支架):1個、調整螺絲刀:1把 | |
(注1):無指定檢測條件時,使用環境溫度=+23℃。
(注2):上表中耐電壓和絕緣電阻僅適用于放大器。
(注3):注意當電纜延長時,輸出電壓將降低。
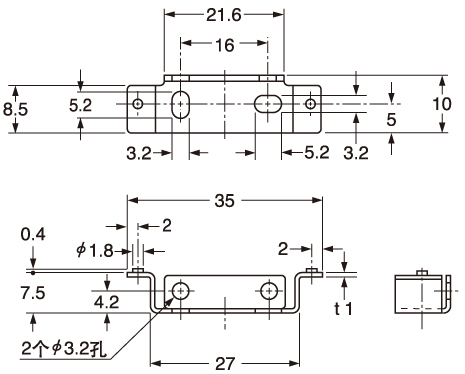
尺寸圖
- 單位mm
FX-11A
|
MS-DIN-2
|
用途
|
|
|
可選件
|
|
|
|
|||||||||
|
|
|
|||||||||
通用傳感器安裝架
通過側臂可進行水平方向的調節,傳感器可從生產線上方檢測物體。
|
|
|
|
|
|||||||||
|



















科恩電氣
科恩眾和