漏液檢測/液面檢測光纖用數字光纖傳感器 FX-301-F(FX-301P-F)
適用于漏液檢測/ 液面檢測用,操作容易,初學者也能掌握! 操作簡單,可實現最佳設定!
編 號:1013281360
型 號:FX-301-F(FX-301P-F)
品 牌:Panasonic(松下電工)
貨 期:現貨
服 務:由科恩電氣發貨并提供售后服務
瀏 覽:次
- 基本信息
- 產品種類
- 詳細規格
- 產品尺寸
- 產品用途
- 可選件
操作容易,初學者也能掌握!
操作簡單,可實現最佳設定!
|
※1
|
※2
|
| ※1 | EMC指令 |
|---|---|
| ※2 | Recognition認證 |
特點
漏液檢測/液面檢測光纖專用放大器
|
備有漏液檢測光纖FD-F705專用的FX-301-F7(注1)和液面檢測光纖FT-F902專用的FX-301-F。
(注1): 將FX-301-F設定為漏液模式時也可使用。但與漏液檢測光纖 專用設計的FX-301-F7的功能不同,使用漏液檢測光纖時建議使用FX-301-F7。
|
|
無主機、子機之分,便于維護
|
放大器本體無主機、子機之分。僅需區分使用3芯母電纜和1芯子電纜,即可區分主機和子機,因此可輕松進行橫向連接。 |
|
設定最佳基準值 [FX-301-F7]
|
基準值會在教導時自動設定為入光量的-20%,可實現穩定的漏液檢測。此外,也可將基準值變更為入光量的-15%、-30%。 |
|
基準值追蹤功能 [FX-301-F7]
|
每隔一定時間(10分鐘)便確認入光量,并自動重新設定基準值。 |
|
配備閃光功能
如果檢測到漏液,投光器即開始閃光,使你一眼即可辨認。
采用新開發的二極體,使用壽命長且無需調整光量
FX-301-F7/FX-301-F所配備的新開發的“4元素發光二極體”可最大限度地抑制投光元件的老化,確保長期的穩定檢測。
通過個別/整體教導輕松設定
■個別教導模式(TEACH)
FX-301-F7通過將MODE指示燈設置為“TEACH”,并按下突出開關,即可自動設定為最佳基準值。
(FX-301-F在選擇液面檢測光纖后,可設定基準值。)
■整體教導模式(ALL)
將MODE指示燈設置為“ALL”時,即可利用光通信功能對連接的放大器同時進行教導。基準值將設定為各個放大器的最佳值。
(同時,主機的其它設定條件均將被復制至子機。)
|
漏液(滲漏)檢測光纖(FD-F705)
耐藥品性優良的薄型漏液檢測光纖
|
■施工簡便 |
|
|
■防爆性、耐藥品性優良 |
|
■體積小、省空間
為側面安裝式的10mm薄型,因此在狹小空間內也可使用。
■備有放大器內置型 [EX-F70/EX-F60]
|
滲漏檢測傳感器[放大器內置] EX-F70/EX-F60的產品信息,請點擊瀏覽滲漏檢測傳感器[放大器內置] EX-F70/EX-F60。 |
|
液面檢測光纖(管安裝式)(FT-F902)
穩定檢測管內的液體!
|
|
■實現不受氣泡、水滴影響的穩定檢測
通過特殊光學設計,解決了“氣泡、水滴、滴液”這些作為以往管安裝方式的課題。
|
■符合SEMI S2的優良防爆性 |
|
種類
放大器
放大器本體不附帶單觸式電纜。請務必另行購買單觸式電纜。
| 種類 | 形狀 | 型號 | 投光元件 | 輸出 | |
|---|---|---|---|---|---|
|
漏液檢測 光纖專用 |
NPN輸出 |
|
FX-301-F7 | 紅色LED | NPN開路集電極晶體管 |
| PNP輸出 | FX-301P-F7 | PNP開路集電極晶體管 | |||
|
液面檢測 光纖專用 |
NPN輸出 | FX-301-F | NPN開路集電極晶體管 | ||
| PNP輸出 | FX-301P-F | PNP開路集電極晶體管 | |||
單觸式電纜
放大器本體不附帶單觸式電纜。請務必另行購買單觸式電纜。
| (注): |
從2013年3月開始生產的產品,單觸式電纜的材質將更改為適應UL認證的材質(難燃性VW-1)。 ?導體公稱截面積:0.15mm2→0.2mm2 ?鎧裝外徑:?3.0mm→?3.3mm |
|---|
|
|
尾盤
放大器本體不附帶尾盤。連接時請務必另行購買尾盤。
| 形狀 | 型號 | 內容 |
|---|---|---|
|
MS-DIN-E | 連接放大器或在DIN導軌上移動放大器時,請從兩端夾緊放大器,并將其固定。連接時請務必使用。 |
光纖
關于光纖長度變更品的應對
備有作為半訂制品的光纖長度變更品,可快速交貨。
型號及交貨期請向營業所咨詢。
· 光纖長度的延長:以1m為單位,最長為30m。
· 保護管長度的延長:以0.5m為單位,最長為10m
附件
FX-CT2(光纖切割器)
FX-AT4(φ1mm光纖用附件)
MS-FD-F7-1(FD-F71用SUS安裝件)
MS-FD-F7-2(FD-F71用PVC安裝件)
|
|
|
|||||||||
|
規格
放大器
| 種類 | 漏液檢測光纖專用 | 液面檢測光纖專用 | |
| 型號 | NPN輸出 | FX-301-F7 | FX-301-F |
| PNP輸出 | FX-301P-F7 | FX-301P-F | |
|
適用 光纖 |
FD-F705 | FT-F902 | |
| 電源電壓 | 12?24V DC±10% 脈動P-P10%以下 | ||
| 消耗功率 |
通常時:960mW以下(電源電壓24V時,消耗電流40mA以) ECO模式時:600mW以下(電源電壓24V時,消耗電流25mA以下) |
||
| 輸出 |
NPN開路集電極晶體管 ?最大流入電流:100mA(連接5臺以上時為50mA) ?外加電壓:30V DC以下(輸出和0V之間) ?剩余電壓:1.5V以下 (源電流為100mA時,連接5臺以上時為50mA) PNP開路集電極晶體管 ?最大源電流:100mA(連接5臺以上時為50mA) ?外加電壓:30V DC以下(輸出和+V之間) ?剩余電壓:1.5V以下 (源電流為100mA時,連接5臺以上時為50mA) |
||
| 輸出動作 | 漏液檢測時OFF |
設定液面檢測時(F9模式):通過突出開關選擇無液體時OFF/有液體時OFF 設定漏液檢測時(F7模式):漏液檢測時OFF |
|
| 短路保護 | 配備 | ||
| 反應時間 | 500μs以下(注2) | 250μs以下(注2) | |
| 靈敏度設定方法 | 個別教導/整體教導 | ||
| 工作狀態指示燈 | 橙色LED(輸出ON時亮起) | ||
| 自動追蹤功能指示燈 | 綠色LED(自動追蹤功能ON時亮起) | - | |
| 機型指示燈 | - | 綠色LED[設定液面檢測時(F9模式)亮起] | |
| MODE指示燈 | RUN:綠色LED、TEACH?ALL?ADJ?DISP?OUT:黃色LED | ||
| 數字顯示 | 4位紅色LED顯示 | ||
|
設定靈敏度 微調功能 |
配備 | ||
| 定時器功能 | - |
配備延遲定時器[僅設定液面檢測時(F9模式)] (定時器時間:10ms/100ms/1,000ms/無) |
|
|
環 境 性 能 |
使用環境溫度 | 0?+50℃(連接8?16臺時:0?+45℃)(不可結露)、存儲時:-20?+70℃ | |
| 使用環境濕度 | 35?85%RH、存儲時:35?85%RH | ||
| 使用環境照度 | 白熾燈:受光面照明度3,000lx以下 | ||
| 耐電壓 | AC1,000V 1分鐘 所有電源連接端子與外殼之間(注3) | ||
| 絕緣電阻 | 所有電源連接端子與外殼之間,20MΩ以上,基于DC250V的高阻表(注3) | ||
| 耐振動 | 頻率10~150Hz 雙振幅0.75mm X,Y和Z方向各2小時 | ||
| 耐沖擊 | 加速度98m/s2(約10G) XYZ方向各5次 | ||
| 投光元件 | 紅色LED(投光波峰波長:650nm、調制式) | ||
| 材質 | 外殼:耐熱ABS、外罩:聚碳酸酯、開關:丙烯 | ||
| 連接方式 | 連接器連接式(注4) | ||
| 配線長度 | 0.3mm2以上的電纜全長可延長至100m | ||
| 重量 | 本體重量:約20g、包裝重量:約35g | ||
(注1):無指定時的測量條件為使用環境溫度=+23℃。
(注2):檢測出漏液(輸出OFF)時,將使投光閃爍,因此僅恢復至ON的反應延遲。(約1s) [FX-301(P)-F為漏液設定時(F7模式)。]
|
漏液檢測光纖
| 型號 | FD-F705 | |
| 適用放大器 | FX-301-F7、FX-301P-F7 | |
| 檢測物體 | 液體(注2) | |
| 光纖長度 | 5m(自由裁切) | |
| 保護管長度 | 3m | |
| 容許彎曲半徑保 | 保護管部:R20mm以上、光纖部:R4mm以上 | |
| 彎曲壽命 | 光纖部:100萬次以上(R4mm時) | |
| 投光指示燈 | 配備 | |
| 抗拉強度 | 19.6N以下(PFA保護管部) | |
| 使用環境溫度 |
-20?+50℃(注意不可結露、結冰)(注3)、 存儲時:-20?+50℃ |
|
| 使用環境濕度 | 35?85%RH、存儲時:35?85%RH | |
| 材質 | 光纖部 |
光纖:丙烯、外殼:氯乙烯、 保護管:PFA(氟化樹脂) |
| 光纖頭部 | 外裝部:PFA(氟化樹脂)、內裝部:耐熱ABS?丙烯 | |
| 附件 |
MS-FD-F7-1(SUS安裝件):1個、MS-FD-F7-2(PVC安裝件):1個、 FX-CT2(光纖切割器):1個、 FX-AT4(φ1mm光纖用附件):投光用?受光用2個1套(注4) |
|
(注1):無指定時的測量條件為使用環境溫度=+23℃。
(注2):有時無法穩定檢測高粘度液體。
(注3):請將檢測液體的溫度控制在使用環境溫度范圍內。
(注4):FX-AT4中附帶FX-301-F7/F用和FX-D1-F用產品。
液面檢測光纖
| 型號 | FT-F902 | |
| 適用放大器 | FX-301-F、FX-301P-F | |
| 檢測物體 | 液體(注2) | |
| 適用管道直徑(注3) |
外徑φ3.0?φ10.0mm [PFA(氟化樹脂)或具有同等透明度的管,壁厚0.3?1.0mm] |
|
| 光纖長度 | 2m(自由裁切) | |
| 保護管長度 | 1m | |
| 容許彎曲半徑保 | 保護管部:R20mm以上、光纖部:R4mm以上 | |
| 彎曲壽命 | 光纖部:100萬次以上(R4mm時) | |
| 使用環境溫度(注4) |
-20?+60℃(注意不可結露、結冰)(注4)、 存儲時:-20?+60℃ |
|
| 使用環境濕度 | 35?85%RH、存儲時:35?85%RH | |
| 材質 | 光纖部 |
光纖:丙烯、外殼:氯乙烯、 保護管:PFA(氟化樹脂) |
| 光纖頭部 | 外殼:耐熱ABS、透鏡:丙烯 | |
| 附件 |
捆扎帶:2捆、防滑管:2個、 FX-CT2(光纖切割器):1個 FX-AT4(φ1mm光纖用附件):投光用?受光用2個1套(注5) |
|
(注1):無指定時的測量條件為使用環境溫度=+23℃。
(注2):有時無法穩定檢測渾濁及顏色過濃的液體。
(注3):使用不透明管將無法正確檢測。
(注4):請將檢測液體的溫度控制在使用環境溫度范圍內。
(注5):FX-AT4中附帶FX-301-F7/F用和FX-D1-F用產品。
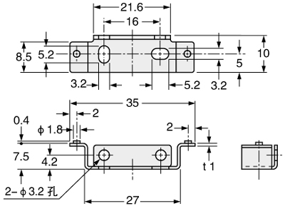
尺寸圖
- 單位mm
FX-301(P)-F7
FX-301(P)-F
|
CN-73-C1
CN-73-C2
CN-73-C5
|
CN-71-C1
CN-71-C2
CN-71-C5
|
MS-DIN-2
|
MS-DIN-E
尾盤(另售)
|
FD-F705
|
MS-FD-F7-1
|
MS-FD-F7-2
|
FT-F902
|



















科恩電氣
科恩眾和