小型 CO2激光打標機 LP-GS 系列 LP-GS051-LFN
新增了極小光點型LP-GS052
- 基本信息
- 產品種類
- 詳細規格
- 產品尺寸
- 產品用途
- 可選件

以驚人的小體積全新登場
|
※1
|
※2
|
| ※1 | 適用規格 |
|---|---|
| ※2 | EMC適用指令 |
特點
2015年3月 LP-GS系列中全新機型隆重登場![極小光點型]LP-GS052
文字大小實現0.2mm以下※
在小型CO2激光打標機LP-GS 系列陣容中,又增能刻印極小文字的“LP-GS052”新成員。
用CO2激光打標機可刻印0.2mm以下的文字。在日益向小型化、薄型化發展的電子元件上,也可進行高品質的文字刻印。
※由于工件的材質和刻印條件不同,有時可能無法刻印。
|
能刻印出肉眼都難以分辨的微小文字。對于刻印空間少的零部件,也能實現卓越的產品可追溯性。 |
主要應用領域
|
|
| LP-GS系列 共通特長 |
尺寸革新
大幅度縮小放射頭的尺寸
節省空間,降低整體設備安裝成本
|
裝置的小型化設計 |
|
|
支持寬打標范圍 |
※耐彎曲電纜僅對應放射頭和控制器之間的電纜。 |
生產改進
內置Z軸控制機構
大幅度改進刻印質量和縮短工序間轉換的準備工時
|
|
|
即使是基板以外的間距,尺寸不同的間距刻字通過Z軸控制機構,生產效率可以得到大幅提升。
|
|
|
|||||||||
|
智能操作
現場工作變得輕松
重視“簡單易懂”的操作性
|
|
|
|
|
按不同用途的畫面顯示
在“Laser Marker NAVI smart”的畫面中,可根據“操作者”、“監視者”等各個使用者的目的進行顯示內容的變更。采用簡明易懂的畫面顯示,以此提高了進行設定和確認時的作業效率。
|
【管理者用】 設定畫面 |
|
【操作者用】 操作員用設定畫面 |
|
【保全者用】 維護檢查畫面 |
滿載能夠在各種不同場景中發揮重要作用、簡便易用的功能
在無PLC的情況下也能加以控制的“外部機器連接功能”
在此之前,與圖像處理器和讀碼器協同作業時,需要使用PLC。而LP-GS系列產品系列可利用外部機器連接功能,即使沒有PLC,使用特定的機器時,也能夠直接完成數據的處理。
|
|
[與讀碼器的連接]
能夠基于已讀取條碼/二維碼的數據,對激光打標機實施控制。
|
規格
| 型號 | LP-GS051-FN | LP-GS051-LFN | |
|---|---|---|---|
| 刻印激光 | 激光種類 | CO2激光 波長:10,600nm 4級激光產品 | |
| 平均輸出※1 | 5W | ||
| 激光振蕩方式 | CW振蕩 | ||
| 導向激光 | 紅色半導體激光 波長:655nm 2級激光產品最大輸出:1mW以下 | ||
| 導向指示器 | 紅色半導體激光 波長:655nm 2級激光產品最大輸出:1mW以下 | ||
| 掃描方式 | 振鏡掃描方式 | ||
| 刻印范圍 | 55×55mm | ||
| 工件間距(基準位置)※2 | 111mm | ||
| 工件間距設置范圍 | 108 ~ 114mm | - | |
| 掃描速度※3 | 最大3,000mm/sec. | 最大2,000mm/sec. | |
| 保存文件數 | 10,000個文件 | ||
| 刻印數據數 | 2,000個/文件 | ||
|
刻印對象 種類 |
文字 |
英文大寫、英文小寫、數字、片假名、平假名、漢字(JIS第一?第二水準)、 符號、用戶保存文字(最多可設定50種) |
|
| 條形碼 | CODE39、CODE128、ITF、NW-7、JAN(EAN)/UPC | ||
| 二維碼 | QR碼、微型QR碼、iQR碼、數據矩陣、GS1數據矩陣 | ||
| 圖形數據 | VEC※4、DXF、BMP、HPGL、JPEG、AI、EPS | ||
| 文字高度? 寬度※3 | 0.1~ 55mm | ||
| 文字排列 | 直線形、扇形、成比例、均勻配置 | ||
| 刻印狀態 | 靜止 | ||
| 輸入/輸出端口 | I/O端子座(40針)、I/O連接器(40針) | ||
| 串行通信接口 | EIA-RS-232C、Ethernet | ||
| 附帶軟件 | Laser Marker NAVI smart、數據轉換軟件、數據編輯軟件、字體編輯軟件、Export Vec | ||
| Laser Marker NAVI smart連接方法 | USB、Ethernet | ||
| Laser Marker NAVI smart顯示語言 | 日文版、英文版、中文版(簡體字) | ||
| 電源電壓 | 90~132V AC或180~264V AC(含電壓變動±10%)※5頻率50/60Hz | ||
|
消耗功率 (消耗電流) |
100V AC時 | 370VA以下(4.2A以下) | |
| 200V AC時 | 500VA以下(2.8A以下) | ||
| 冷卻方式 | 放射頭、控制器均為強制空氣冷卻 | ||
| 使用環境溫度※6 | 0~+40℃ | ||
| 保存環境溫度※6 | -10~+60℃ | ||
| 使用環境濕度※6 | 35~ 85% RH | ||
| 重量 | 放射頭 | 約11kg | |
| 控制器 | 約8kg | ||
| 附帶軟件對象OS |
Windows?8 Pro 32/64bit(日文版/英文版/簡體中文版)※7、 Windows?7 Professional SP1 32/64bit(日文版/英文版/簡體中文版) |
||
| 型號 | LP-GS052-FN | |
|---|---|---|
| 刻印激光 | 激光種類 | CO2激光 波長:10,600nm 4級激光產品 |
| 平均輸出※1 | 1.3W | |
| 激光振蕩方式 | CW振蕩 | |
| 導向激光 | - | |
| 導向指示器 | 紅色半導體激光 波長:655nm 2級激光產品最大輸出:1mW以下 | |
| 掃描方式 | 振鏡掃描方式 | |
| 刻印范圍 | 30×30mm | |
| 工件間距(基準位置)※2 | 71mm | |
| 工件間距設置范圍 | 69.5~72.5mm | |
| 掃描速度※3 | 最大3,000mm/sec. | |
| 保存文件數 | 10,000個文件 | |
| 刻印數據數 | 2,000個/文件 | |
|
刻印對象 種類 |
文字 | 英文大寫、英文小寫、數字、片假名、平假名、漢字(JIS第一水準、JIS第二水準)、符號、用戶保存文字(最多可設定50種) |
| 條形碼 | CODE39、CODE128、ITF、NW-7、JAN(EAN)/UPC | |
| 二維碼 | QR碼、微型QR碼、iQR碼、數據矩陣、GS1數據矩陣 | |
| 圖形數據 | VEC※4、DXF、BMP、HPGL、JPEG、AI、EPS | |
| 文字高度? 寬度※3 | 0.06~30mm | |
| 文字排列 | 直線形、扇形、成比例、均勻配置 | |
| 刻印狀態 | 靜止 | |
| 輸入/輸出端口 | I/O端子座(40針)、I/Oコ連接器(40針) | |
| 串行通信接口 | EIA-RS-232C、Ethernet | |
| 附帶軟件 | Laser Marker NAVI smart、數據轉換軟件、數據編輯軟件、字體編輯軟件、Export Vec | |
| Laser Marker NAVI smart 連接方式 | USB、Ethernet | |
| Laser Marker NAVI smart 顯示語言 | 日文版、英文版、中文版(簡體字) | |
| 電源電壓 | 90~132V AC或180~264V AC(含電壓變動±10%)※5頻率50/60Hz | |
|
消耗功率 (消耗電流) |
100V AC時 | 370VA以下(4.2A以下) |
| 200V AC時 | 500VA以下(2.8A以下) | |
| 冷卻方式 | 放射頭控制器均為強制空氣冷卻 | |
| 使用環境溫度※6 | 0~+40℃ | |
| 保存環境溫度※6 | -10~+60℃ | |
| 使用環境濕度※6 | 35~ 85% RH | |
| 重量 | 放射頭 | 約11kg |
| 控制器 | 約8kg | |
| 附帶軟件對象OS |
Windows?8 Pro 32/64bit(日文版/英文版/簡體中文版)※7、 Windows?7 Professional SP1 32/64bit(日文版/英文版/簡體中文版) |
|
| ※1 | 制品加工端上的輸出。(設定功率100時) |
|---|---|
| ※2 | 工件間距基準位置因產品不同會有±0.5mm左右的個體差。 |
| ※3 | 這里所表示的數值是可輸入的設定范圍。對于能夠確保刻印或加工品質的設定值,因刻印條件或對象材質的不同而有所差異。 |
| ※4 | VEC是激光打標機專用的圖像文件格式。 |
| ※5 | 電源電壓自動轉換。 |
| ※6 | 控制器和放射頭相同。但是不應該有結露及結冰。如果是在使用環境溫度外加以保存的,請使其在使用環境溫度下充分地適應之后再行使用。 |
| ※7 | Windows?8 RT環境下不能工作。 |
| ※8 | Windows?8 、Windows?7 是美國微軟公司在美國及其他國家登記的商標或者注冊商標。 |
注意
■ 關于激光
- 本產品相當于JIS標準的等級4激光。請注意避免目視或接觸激光的直射光及其反射光,請根據標準內容采取適當的安全措施。
- 商品上粘貼有右圖所示的標簽。標簽因型號而異。(本樣本內的產品照片上未粘貼。)
|
- 由于激光為紅外光,因此肉眼是看不到的。激光放射時,請尤其注意。
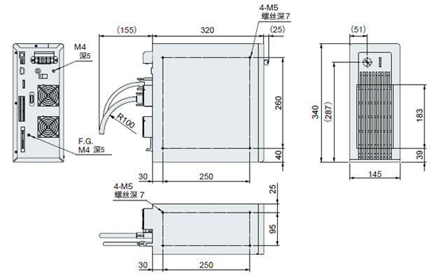
尺寸圖
- 單位mm
放射頭
|
| 型號 | A | B | C | D | E |
|---|---|---|---|---|---|
|
LP-GS051-FN LP-GS051-LFN |
111 | 55×55 | 54 | 77.5 | 27 |
| LP-GS052-FN | 71 | 30×30 | 50.5 | 69.5 | 24 |
控制器
|
用途
|
|
|
|
|
|
|
|
|
|
|
|
|
|
|
|





















科恩電氣
科恩眾和