小型檢選傳感器 NA1-PK3(NA1-PK3-PN)
擁有緊湊、袖珍打火機尺寸,可廣泛安裝使用。
編 號:1014091054
型 號:NA1-PK3(NA1-PK3-PN)
品 牌:Panasonic(松下電工)
貨 期:現貨
服 務:由科恩電氣發貨并提供售后服務
瀏 覽:次
- 基本信息
- 產品種類
- 詳細規格
- 產品尺寸
- 產品用途
- 可選件
擁有緊湊、袖珍打火機尺寸,可廣泛安裝使用
|
※1
|
※2
|
| ※1 | EMC指定適用 |
|---|---|
| ※2 | Recognition認證 |
特點
|
節省空間,袖珍打火機尺寸部件
|
超小尺寸:W24×H70×D8mm,甚至可以被安裝在部件箱的限制小空間內。 |
|
無需同步線
|
使用同步光束掃描系統,無需同步線,并減少了接線工時。而且,傳感器可在三種不同的投光頻率中轉換,最多可在同一垂直平面上貼近安裝3套傳感器,且不會導致相互干擾。 即使安裝在多層架上,由于相互干擾產生的工作故障也不會出現。(如果水平安裝,最多可無干擾并行安裝2套傳感器。) |
|
使用大型、明亮、醒目的作業指示燈
|
超小機身上安裝有一約50mm高的作業指示燈。 |
|
可切換輸出動作
輸出動作可切換至所需用途。
設計簡單
|
安裝孔和光軸在產品的中心呈一條直線,設計簡便。可使用M4螺母簡單安裝。 |
|
電纜方向靈活
|
可選擇兩個不同方向中的任一方向定位電纜:向下或側向,因此可根據傳感器的安裝位置進行靈活布局。 |
|
備有傳感器保護支架
|
備有傳感器保護支架(另售),以保護傳感器不受工具或其他物體的損傷。鍍黑的保護支架增強了作業指示燈的可見度。 |
|
種類
| 種類 | 形狀 |
檢測距離 (注1) |
型號 (注2) |
輸出 |
|---|---|---|---|---|
| NPN輸出 |
|
30~300mm | NA1-PK3 |
NPN開路集電極 晶體管 |
| PNP輸出 | NA1-PK3-PN |
PNP開路集電極 晶體管 |
| (注1): |
檢測距離是在投光器和受光器之間可設定的范圍。
|
|---|---|
| (注2): |
產品的銘牌上所標記的型號帶"P"符號的機型為投光器,帶"D"符號的機型為受光器。 (例)NA1-PK3的投光器:NA1-PK3P、NA1-PK3的受光器:NA1-PK3D |
5m電纜長度型、中繼連接器型
備有5m電纜長度型(標準:2m)和中繼連接器型(標準:電纜型)。
?型號表
| 種類 | 標準型 | 5m電纜長度型 |
中繼連接器型 (注1) |
|---|---|---|---|
| NPN輸出型 | NA1-PK3 | NA1-PK3-C5 | NA1-PK3-J |
| PNP輸出型 | NA1-PK3-PN | NA1-PK3-PN-C5 | NA1-PK3-PN-J |
| (注1): | 中繼連接器型請另行購買連接電纜。 |
|---|
|
規格
| 種類 | NPN輸出 | PNP輸出 | |
| 型號 | NA1-PK3 | NA1-PK3-PN | |
| 檢測高度 | 49.2mm | ||
| 檢測距離(注2) | 30?300mm | ||
| 光軸距離 | 24.6mm | ||
| 光軸數 | 3 | ||
| 檢測物體 | φ29mm以上不透明體(完全遮光物體) | ||
| 電源電壓 | 12~24V DC±10% 脈動P-P10%以下 | ||
| 消耗電流 | 投光器:30mA以下,受光器:50mA以下 | ||
| 輸出 |
NPN開路集電極晶體管 ?最大流入電流:100mA ?外加電壓:30V DC以下(輸出和0V之間) ?剩余電壓:1V以下(流入電流為100mA時) 0.4V以下(流入電流為16mA時) |
PNP開路集電極晶體管 ?最大源電流:100mA ?外加電壓:30V DC以下(輸出和+V之間) ?剩余電壓:1V以下(源電流為100mA時) 0.4V以下(源電流為16mA時) |
|
| 輸出動作 | 1個以上光軸遮光時ON或OFF,可由切換開關選擇 | ||
| 短路保護 | 配備 | ||
| 反應時間 | 10ms以下(使用防干擾功能時:30ms以下) | ||
|
指 示 燈 |
投光器 |
電源指示燈:綠色LED(通電時亮起) 作業指示燈:橙色LED(作業指示燈輸入低時亮起) |
電源指示燈:綠色LED(通電時亮起) 作業指示燈:橙色LED(作業指示燈輸入高時亮起) |
| 受光器 |
工作狀態指示燈:紅色LED(輸出ON時亮起) 穩定入光指示燈:綠色LED(穩定接受到所有光軸時亮起) 作業指示燈:橙色LED(作業指示燈輸入低時亮起) |
工作狀態指示燈:紅色LED(輸出ON時亮起) 穩定入光指示燈:綠色LED(穩定接受到所有光軸時亮起) 作業指示燈:橙色LED(作業指示燈輸入高時亮起) |
|
| 防干擾功能 | 配備(3臺傳感器可緊貼安裝) | ||
|
環 境 性 能 |
保護構造 | IP62(IEC)、防滴型(JIS) | |
| 使用環境溫度 | -10~+55℃(注意不可結露、結冰),存儲時:-20~+70℃ | ||
| 使用環境濕度 | 35~85%RH,存儲時:35~85%RH | ||
| 使用環境照明度 | 白熾燈:受光面照明度3,000lx以下 | ||
| 耐電壓 | AC1,000V 1分鐘 所有電源連接端子與外殼之間 | ||
| 絕緣電阻 | 所有電源連接端子與外殼之間,20MΩ以上,基于DC250V的高阻表 | ||
| 耐振動 | 頻率10~150Hz 雙振幅0.75mm(MAX.5G) X,Y和Z方向各2小時 | ||
| 耐沖擊 | 加速度500m/s2(約50G) X,Y和Z方向各3次 | ||
| 投光元件 | 紅外線LED(同步光束掃描方式) | ||
| 材質 | 外殼:耐熱ABS,透鏡罩:丙烯,顯示罩:丙烯 | ||
| 電纜 | 0.2mm2 4芯(投光器:3芯)耐油橡膠電纜,長2m | ||
| 電纜延長 | 0.3mm2 以上的電纜時,投光器和受光器的全長均可延長至100m | ||
| 重量 | 本體重量:投光器和受光器各約50g | ||
(注1):無指定時的測量條件為使用環境度=+23℃。
(注2):檢測距離是在投光器和受光器之間可設定的范圍。
|
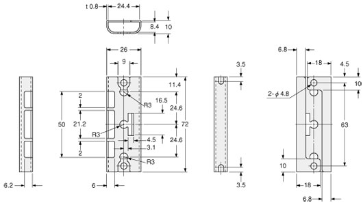
尺寸圖
- 單位mm
NA1-PK3 NA1-PK3-PN
傳感器
|
|
MS-NA3-3
傳感器保護支架(另售)
|
用途
|
|




















科恩電氣
科恩眾和